Phiếu thông tin sản phẩm
1116-SS-MI Series — BÁNH XE ĐẨY THIẾT BỊ CÀNG INOX (Chuẩn Mỹ)
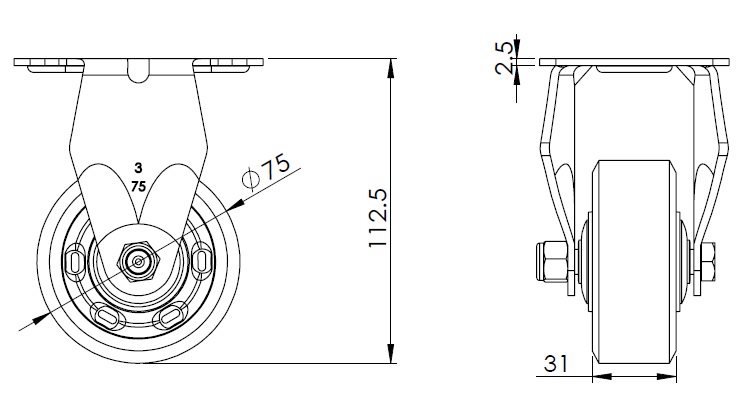
  W bánh xe hiệu ứng đầy đủ đường kính bánh xe × chiều rộng bánh xe 75 x 31mm
  EAN
  TW-4111603001012    
         
Bánh xe cố định, chân liền khối dập — thiết kế đục lỗ cao cấp Bề mặt chống rung, hệ thống lắp đặt đế Lõi bánh xe bằng polypropylene gia cố chống va đập, bề mặt bánh xe bằng nhựa nhiệt dẻo đàn hồi (TPR) Màu đỏ, ổ trục bánh xe — ổ bi chính xác.
  Bề mặt bánh xe: Cao su nhiệt dẻo đàn hồi (TPR)
  Lõi bánh xe: Được làm bằng polypropylen chống va đập chất lượng cao

    Mô tả sản phẩm chỉ mang tính chất tham khảo. Sản phẩm thực tế sẽ được ưu tiên.



     
      đơn vị mét đế quốc
  Đường kính bánh xe 75mm 

  Chiều rộng bánh xe 31mm 
  vòng bi bánh xe Bánh xe trang bị vòng bi bi
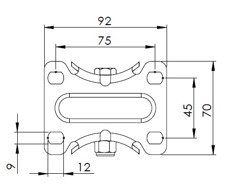
  Quy cách tấm lắp 92 x 70mm 
  khoảng cách các lỗ trên tấm nền 75 x 45mm 
  Khoảng cách các lỗ lắp 12 x 9mm 
  Tổng chiều cao 112.5mm 
  Độ cứng 72±5° Shore A 
  Tải trọng (động) 110kgs 


  Độ di chuyển mượt mà 
    ● ● ● ● ●

  Chế độ im lặng        ● ● ● ● ●

  Bảo vệ mặt sàn       ● ● ● ● ●

  Tải trọng (tĩnh) 165kgs 
  Nhiệt độ -20°C to +60°C 
  Càng bánh xe Cố định 
  Thép không gỉ Y
  Dẫn điện N/A 
  Chống tĩnh điện N/A 
  Trọng lượng bánh xe đẩy 0.40kgs 
  Tiêu chuẩn kiểm nghiệm ISO22883
  
  
  © Bản quyền thuộc về 2026 DershengInternational www.dersheng.com
Sản phẩm liên quan
1116-SS-MI Series — BÁNH XE ĐẨY THIẾT BỊ CÀNG INOX (Chuẩn Mỹ)
W bánh xe hiệu ứng đầy đủ đường kính bánh xe × chiều rộng bánh xe 75 x 31mm
TW-4111603002019
75 mm 110 Kgs 113 mm
Bánh xe di động, đế được tán đinh và dập khuôn – thiết kế đục lỗ chất lượng cao. Chống rung bề mặt, thiết bị gắn đế. Lõi bánh xe bằng polypropylene gia cường chịu va đập, bề mặt bánh xe bằng chất đàn hồi nhiệt dẻo (TPR) (chịu được nhiệt độ thấp). Màu xám, ổ bi bánh xe – ổ bi cầu chính xác.
1116-SS-MI Series — BÁNH XE ĐẨY THIẾT BỊ CÀNG INOX (Chuẩn Mỹ)
W bánh xe hiệu ứng đầy đủ đường kính bánh xe × chiều rộng bánh xe 75 x 31mm
TW-4111603004021
75 mm 110 Kgs 113 mm
Trang bị bánh xe có khóa phanh kép. Chân đế được tán đinh và dập khuôn – thiết kế đục lỗ chất lượng cao. Giảm chấn rung động bề mặt, lắp đặt bằng tấm đế. Lõi bánh xe bằng polypropylene gia cường chịu va đập, bề mặt bánh xe bằng chất đàn hồi nhiệt dẻo (TPR). Vòng bi bánh xe màu xám – vòng bi cầu chính xác.