Phiếu thông tin sản phẩm
1116-SS-MI Series — BÁNH XE ĐẨY THIẾT BỊ CÀNG INOX (Chuẩn Mỹ)
  Đường kính bánh xe nylon × chiều rộng bánh xe 75 x 32mm
  EAN
  TW-4111603001019    
         
Bánh xe cố định, khung dập liền khối — đục lỗ cao cấp Rung bề mặt, thiết bị lắp đặt tấm đế Lõi bánh xe và vành bánh xe bằng nhựa nhiệt dẻo Màu trắng, bánh xe — loại ống trung tâm.
  Bề mặt bánh xe: nhựa nhiệt dẻo
  Lõi bánh xe: nhựa nhiệt dẻo

    Mô tả sản phẩm chỉ mang tính chất tham khảo. Sản phẩm thực tế sẽ được ưu tiên.



     
      đơn vị mét đế quốc
  Đường kính bánh xe 75mm 

  Chiều rộng bánh xe 32mm 
  vòng bi bánh xe Bánh xe đi kèm với ống giữa
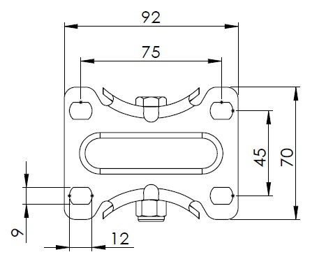
  Quy cách tấm lắp 92 x 70mm 
  khoảng cách các lỗ trên tấm nền 75 x 45mm 
  Khoảng cách các lỗ lắp 12 x 9mm 
  Tổng chiều cao 112.5mm 
  Độ cứng 75±5° Shore D 
  Tải trọng (động) 100kgs 


  Độ di chuyển mượt mà 
    ● ● ● ● ●

  Chế độ im lặng        ● ● ○ ○ ○

  Bảo vệ mặt sàn       ● ● ○ ○ ○

  Tải trọng (tĩnh) 150kgs 
  Nhiệt độ -20°C to +80°C 
  Càng bánh xe Cố định 
  Thép không gỉ Y
  Dẫn điện N/A 
  Chống tĩnh điện N/A 
  Trọng lượng bánh xe đẩy 0.40kgs 
  Tiêu chuẩn kiểm nghiệm ISO22883
  
  
  © Bản quyền thuộc về 2026 DershengInternational www.dersheng.com
Sản phẩm liên quan
1116-SS-MI Series — BÁNH XE ĐẨY THIẾT BỊ CÀNG INOX (Chuẩn Mỹ)
Đường kính bánh xe nylon × chiều rộng bánh xe 75 x 32mm
TW-4111603001027
75 mm 100 Kgs 112.5 mm
Bánh xe cố định, khung dập liền khối — đục lỗ cao cấp Rung bề mặt, thiết bị lắp đặt đế Lõi bánh xe và bề mặt bánh xe bằng nhựa nhiệt dẻo (có dầu chịu nhiệt độ thấp) Bánh xe màu trắng — loại ống trung tâm.
1116-SS-MI Series — BÁNH XE ĐẨY THIẾT BỊ CÀNG INOX (Chuẩn Mỹ)
Đường kính bánh xe nylon × chiều rộng bánh xe 75 x 32mm
TW-4111603002040
75 mm 100 Kgs 113 mm
Bánh xe di động, đế gắn bằng đinh tán và dập khuôn – thiết kế đục lỗ chất lượng cao. Chống rung bề mặt, lắp đặt đế. Lõi và vành bánh xe bằng nhựa nhiệt dẻo (chịu được nhiệt độ thấp). Bánh xe màu trắng, có săm ở giữa.
1116-SS-MI Series — BÁNH XE ĐẨY THIẾT BỊ CÀNG INOX (Chuẩn Mỹ)
Đường kính bánh xe nylon × chiều rộng bánh xe 75 x 32mm
TW-4111603002041
75 mm 100 Kgs 113 mm
Bánh xe di động, đế được tán đinh và dập khuôn – thiết kế đục lỗ chất lượng cao. Rung bề mặt, thiết bị gắn đế. Lõi và vành bánh xe bằng nhựa nhiệt dẻo. Bánh xe màu trắng, có săm ở giữa.
1116-SS-MI Series — BÁNH XE ĐẨY THIẾT BỊ CÀNG INOX (Chuẩn Mỹ)
Đường kính bánh xe nylon × chiều rộng bánh xe 75 x 32mm
TW-4111603002061
75 mm 100 Kgs 113 mm
Bánh xe di động, đế được tán đinh và dập khuôn – thiết kế đục lỗ chất lượng cao. Rung bề mặt, thiết bị gắn đế. Lõi và vành bánh xe bằng nhựa nhiệt dẻo. Bánh xe màu trắng, có săm ở giữa.
1116-SS-MI Series — BÁNH XE ĐẨY THIẾT BỊ CÀNG INOX (Chuẩn Mỹ)
Đường kính bánh xe nylon × chiều rộng bánh xe 75 x 32mm
TW-4111603004041
75 mm 100 Kgs 113 mm
Trang bị bánh xe có khóa phanh kép. Chân đế được tán đinh và dập khuôn với các lỗ đục chất lượng cao. Chống rung bề mặt, lắp đặt trên đế. Lõi và vành bánh xe bằng nhựa nhiệt dẻo. Bánh xe màu trắng, có săm ở giữa.