Phiếu thông tin sản phẩm
1116-SS-MI Series — BÁNH XE ĐẨY THIẾT BỊ CÀNG INOX (Chuẩn Mỹ)
  Bánh xe AQPU (màu xanh) đường kính bánh xe × chiều rộng bánh xe 75 x 31mm
  EAN
  TW-4111603001031    
         
Bánh xe cố định, khung dập liền khối — thiết kế đục lỗ cao cấp Rung bề mặt, thiết bị lắp đặt đế Lõi bánh xe bằng nhôm, bề mặt bánh xe bằng polyurethane chất lượng cao Màu xanh lam, ổ trục bánh xe — ổ trục bi chính xác.
  Bề mặt bánh xe: Polyurethane chất lượng cao
  Lõi bánh xe: Lõi nhôm

    Mô tả sản phẩm chỉ mang tính chất tham khảo. Sản phẩm thực tế sẽ được ưu tiên.



     
      đơn vị mét đế quốc
  Đường kính bánh xe 75mm 

  Chiều rộng bánh xe 31mm 
  vòng bi bánh xe Bánh xe trang bị vòng bi bi
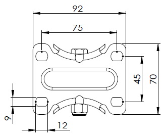
  Quy cách tấm lắp 92 x 70mm 
  khoảng cách các lỗ trên tấm nền 75 x 45mm 
  Khoảng cách các lỗ lắp 12 x 9mm 
  Tổng chiều cao 112.5mm 
  Độ cứng 87±5° Shore A 
  Tải trọng (động) 125kgs 


  Độ di chuyển mượt mà 
    ● ● ● ● ●

  Chế độ im lặng        ● ● ● ● ●

  Bảo vệ mặt sàn       ● ● ● ● ●

  Tải trọng (tĩnh) 187.5kgs 
  Nhiệt độ -20°C to +70°C 
  Càng bánh xe Cố định 
  Thép không gỉ Y
  Dẫn điện N/A 
  Chống tĩnh điện N/A 
  Trọng lượng bánh xe đẩy 0.45kgs 
  Tiêu chuẩn kiểm nghiệm ISO22883
  
  
  © Bản quyền thuộc về 2026 DershengInternational www.dersheng.com
Sản phẩm liên quan
1116-SS-MI Series — BÁNH XE ĐẨY THIẾT BỊ CÀNG INOX (Chuẩn Mỹ)
Bánh xe AQPU (màu xanh) đường kính bánh xe × chiều rộng bánh xe 75 x 31mm
TW-4111603002060
75 mm 125 Kgs 113 mm
Bánh xe di động, đế được tán đinh và dập khuôn với các lỗ đục chất lượng cao. Chống rung bề mặt, thiết bị lắp đặt đế. Lõi bánh xe bằng nhôm, bề mặt bánh xe bằng polyurethane chất lượng cao. Màu xanh lam, ổ bi bánh xe—ổ bi cầu chính xác.