Phiếu thông tin sản phẩm
1116-SS-MI Series — BÁNH XE ĐẨY THIẾT BỊ CÀNG INOX (Chuẩn Mỹ)
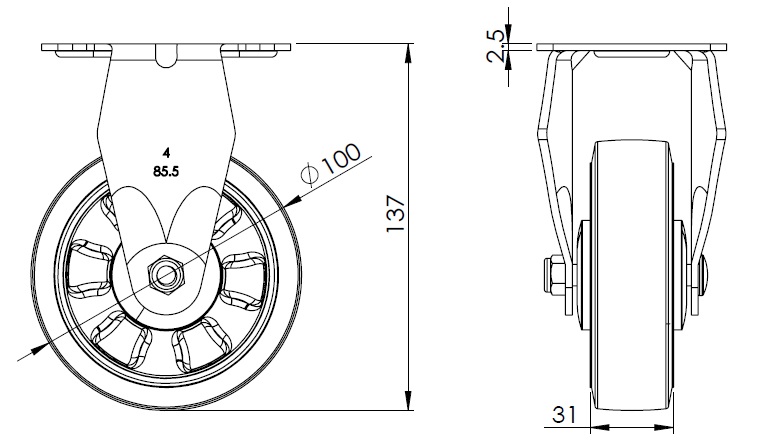
  W bánh xe hiệu ứng đầy đủ đường kính bánh xe × chiều rộng bánh xe 100 x 31mm
  EAN
  TW-4111604001032    
         
Bánh xe cố định, chân liền khối dập — thiết kế đục lỗ cao cấp Bề mặt chống rung, lắp đặt tấm đế Lõi bánh xe bằng polypropylene gia cố chống va đập, bề mặt bánh xe bằng nhựa nhiệt dẻo đàn hồi (TPR) Vòng bi bánh xe màu xám — vòng bi chính xác.
  Bề mặt bánh xe: Cao su nhiệt dẻo đàn hồi (TPR)
  Lõi bánh xe: Được làm bằng polypropylen chống va đập chất lượng cao

    Mô tả sản phẩm chỉ mang tính chất tham khảo. Sản phẩm thực tế sẽ được ưu tiên.



     
      đơn vị mét đế quốc
  Đường kính bánh xe 100mm 

  Chiều rộng bánh xe 32mm 
  vòng bi bánh xe Bánh xe trang bị vòng bi bi
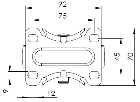
  Quy cách tấm lắp 92 x 70mm 
  khoảng cách các lỗ trên tấm nền 75 x 45mm 
  Khoảng cách các lỗ lắp 12 x 9mm 
  Tổng chiều cao 137mm 
  Độ cứng 72±5° Shore A 
  Tải trọng (động) 135kgs 


  Độ di chuyển mượt mà 
    ● ● ● ● ●

  Chế độ im lặng        ● ● ● ● ●

  Bảo vệ mặt sàn       ● ● ● ● ●

  Tải trọng (tĩnh) 202.5kgs 
  Nhiệt độ -20°C to +60°C 
  Càng bánh xe Cố định 
  Thép không gỉ Y
  Dẫn điện N/A 
  Chống tĩnh điện N/A 
  Trọng lượng bánh xe đẩy 0.45kgs 
  Tiêu chuẩn kiểm nghiệm ISO22883
  
  
  © Bản quyền thuộc về 2026 DershengInternational www.dersheng.com
Sản phẩm liên quan
1116-SS-MI Series — BÁNH XE ĐẨY THIẾT BỊ CÀNG INOX (Chuẩn Mỹ)
W bánh xe hiệu ứng đầy đủ đường kính bánh xe × chiều rộng bánh xe 100 x 31mm
TW-4111604002065
100 mm 135 Kgs 137 mm
Bánh xe di động, đế gắn bằng đinh tán và dập khuôn – thiết kế đục lỗ chất lượng cao. Chống rung bề mặt, lắp đặt đế. Lõi bánh xe bằng polypropylene gia cường chịu va đập, bề mặt bánh xe bằng chất đàn hồi nhiệt dẻo (TPR). Màu xám, ổ bi bánh xe – ổ bi cầu chính xác.