|
|
Phiếu thông tin sản phẩm |
|
|
|
||
| 1116-SS-MI Series — BÁNH XE ĐẨY THIẾT BỊ CÀNG INOX (Chuẩn Mỹ) |
|
|
||||
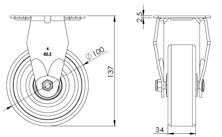
| Bánh xe PU đường kính bánh xe × chiều rộng bánh xe 100 x 34mm |
|
|
||||
| EAN |
|
|||||
|
TW-4111604001033
|
|
|||||
|
|
|
|||||
| Bánh xe cố định, chân đúc liền khối — thiết kế đục lỗ cao cấp Bề mặt rung, thiết bị lắp đặt đế Lõi bánh xe bằng gang, bề mặt bánh xe bằng polyurethane chất lượng cao Đỏ, ổ trục bánh xe — ổ bi chính xác. |
|
|||||
|
|
|
|||||
| Bề mặt bánh xe: Polyurethane chất lượng cao Lõi bánh xe: Lõi sắt / Lõi gang Mô tả sản phẩm chỉ mang tính chất tham khảo. Sản phẩm thực tế sẽ được ưu tiên. |
|
|||||
|
|
|
|||||
đơn vị mét đế quốc
Đường kính bánh xe
100mm
Chiều rộng bánh xe
34mm
|
|
|
||||
|
vòng bi bánh xe
Bánh xe trang bị vòng bi bi
Quy cách tấm lắp
92 x 70mm
khoảng cách các lỗ trên tấm nền
75 x 45mm
Khoảng cách các lỗ lắp
12 x 9mm
Tổng chiều cao
137mm
Độ cứng
92±5° Shore A
Tải trọng (động)
135kgs
|
Độ di chuyển mượt mà ● ● ● ○ ○ Chế độ im lặng ● ● ● ● ○ Bảo vệ mặt sàn ● ● ● ● ○ |
|||||
|
Tải trọng (tĩnh)
202.5kgs
Nhiệt độ
-20°C to +70°C
Càng bánh xe
Cố định
|
|
|||||
|
Thép không gỉ
Y
Dẫn điện
N/A
Chống tĩnh điện
N/A
Trọng lượng bánh xe đẩy
1.0kgs
Tiêu chuẩn kiểm nghiệm
ISO22883
|
|
|
||||
|
|
|||||
|
|
|||||
|
|
|||||
|
|
|||||
| © Bản quyền thuộc về 2026 DershengInternational www.dersheng.com | ||||||