Phiếu thông tin sản phẩm
1116-SS-MI Series — BÁNH XE ĐẨY THIẾT BỊ CÀNG INOX (Chuẩn Mỹ)
  Bánh xe AQPU (màu nâu) đường kính bánh xe × chiều rộng bánh xe 100 x 31mm
  EAN
  TW-4111604001044    
         
Bánh xe cố định, chân đúc liền khối — thiết kế đục lỗ cao cấp Giảm rung bề mặt, lắp đặt trên đế Lõi bánh xe bằng nhôm, bề mặt bánh xe bằng polyurethane chất lượng cao Màu nâu, ổ trục bánh xe — ổ trục bi chính xác.
  Bề mặt bánh xe: Polyurethane chất lượng cao
  Lõi bánh xe: Lõi nhôm

    Mô tả sản phẩm chỉ mang tính chất tham khảo. Sản phẩm thực tế sẽ được ưu tiên.



     
      đơn vị mét đế quốc
  Đường kính bánh xe 100mm 

  Chiều rộng bánh xe 31mm 
  vòng bi bánh xe Bánh xe trang bị vòng bi bi
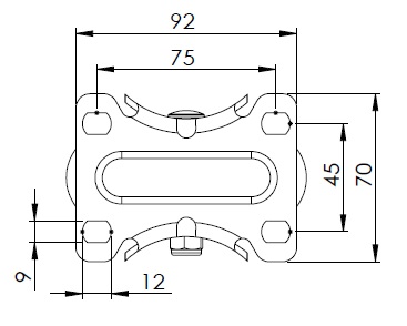
  Quy cách tấm lắp 92 x 70mm 
  khoảng cách các lỗ trên tấm nền 75 x 45mm 
  Khoảng cách các lỗ lắp 12 x 9mm 
  Tổng chiều cao 137mm 
  Độ cứng 92±5° Shore A 
  Tải trọng (động) 135kgs 


  Độ di chuyển mượt mà 
    ● ● ● ● ●

  Chế độ im lặng        ● ● ● ● ●

  Bảo vệ mặt sàn       ● ● ● ● ●

  Tải trọng (tĩnh) 202.5kgs 
  Nhiệt độ -20°C to +70°C 
  Càng bánh xe Cố định 
  Thép không gỉ Y
  Dẫn điện N/A 
  Chống tĩnh điện N/A 
  Trọng lượng bánh xe đẩy 0.50kgs 
  Tiêu chuẩn kiểm nghiệm ISO22883
  
  
  © Bản quyền thuộc về 2026 DershengInternational www.dersheng.com
Sản phẩm liên quan
1116-SS-MI Series — BÁNH XE ĐẨY THIẾT BỊ CÀNG INOX (Chuẩn Mỹ)
Bánh xe AQPU (màu nâu) đường kính bánh xe × chiều rộng bánh xe 100 x 31mm
TW-4111604002080
100 mm 135 Kgs 137 mm
Bánh xe di động, giá đỡ tấm đế được tán đinh và dập khuôn - lỗ đục chất lượng cao Rung bề mặt, thiết bị lắp đặt tấm đế Lõi bánh xe bằng nhôm, bề mặt bánh xe bằng polyurethane chất lượng cao Màu nâu, ổ bi bánh xe - ổ bi cầu chính xác.