Phiếu thông tin sản phẩm
1116-SS-MI Series — BÁNH XE ĐẨY THIẾT BỊ CÀNG INOX (Chuẩn Mỹ)
  Bánh xe AQPU (màu nâu) Đường kính bánh xe × chiều rộng bánh xe 125 x 31mm
  EAN
  TW-4111605001035    
         
Bánh xe cố định, khung dập liền khối — lỗ dụng cụ Rung bề mặt, thiết bị lắp đặt tấm đế Lõi bánh xe bằng nhôm, bề mặt bánh xe bằng polyurethane chất lượng cao (có vỏ nhựa) Bạc đạn bánh xe màu nâu — vòng bi chính xác.
  Bề mặt bánh xe: Polyurethane chất lượng cao
  Lõi bánh xe: Lõi nhôm

    Mô tả sản phẩm chỉ mang tính chất tham khảo. Sản phẩm thực tế sẽ được ưu tiên.



     
      đơn vị mét đế quốc
  Đường kính bánh xe 125mm 

  Chiều rộng bánh xe 31mm 
  vòng bi bánh xe Bánh xe trang bị vòng bi bi
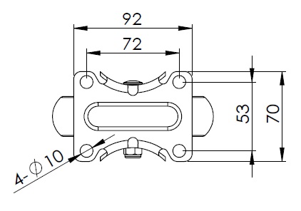
  Quy cách tấm lắp 92 x 70mm 
  khoảng cách các lỗ trên tấm nền 72 x 53mm 
  Khoảng cách các lỗ lắp 10mm 
  Tổng chiều cao 162.5mm 
  Độ cứng 92±5° Shore A 
  Tải trọng (động) 150kgs 


  Độ di chuyển mượt mà 
    ● ● ● ● ●

  Chế độ im lặng        ● ● ● ● ●

  Bảo vệ mặt sàn       ● ● ● ● ●

  Tải trọng (tĩnh) 225kgs 
  Nhiệt độ -20°C to +70°C 
  Càng bánh xe Cố định 
  Thép không gỉ Y
  Dẫn điện N/A 
  Chống tĩnh điện N/A 
  Trọng lượng bánh xe đẩy 0.65kgs 
  Tiêu chuẩn kiểm nghiệm ISO22883
  
  
  © Bản quyền thuộc về 2026 DershengInternational www.dersheng.com
Sản phẩm liên quan
1116-SS-MI Series — BÁNH XE ĐẨY THIẾT BỊ CÀNG INOX (Chuẩn Mỹ)
Bánh xe AQPU (màu nâu) Đường kính bánh xe × chiều rộng bánh xe 125 x 31mm
TW-4111605002076
125 mm 150 Kgs 164 mm