Phiếu thông tin sản phẩm
1116-SS-MI Series — BÁNH XE ĐẨY THIẾT BỊ CÀNG INOX (Chuẩn Mỹ)
  Bánh xe nylon W (màu trắng) Đường kính bánh xe × chiều rộng bánh xe 125 x 31mm
  EAN
  TW-4111605001043    
         
Bánh xe cố định, khung dập liền khối — đục lỗ cao cấp Rung bề mặt, thiết bị lắp đặt tấm đế Lõi bánh xe và bề mặt bánh xe bằng nhựa nhiệt dẻo Trắng, ổ trục bánh xe — ổ trục bi chính xác.
  Bề mặt bánh xe: nhựa nhiệt dẻo
  Lõi bánh xe: nhựa nhiệt dẻo

    Mô tả sản phẩm chỉ mang tính chất tham khảo. Sản phẩm thực tế sẽ được ưu tiên.



     
      đơn vị mét đế quốc
  Đường kính bánh xe 125mm 

  Chiều rộng bánh xe 31mm 
  vòng bi bánh xe Bánh xe trang bị vòng bi bi
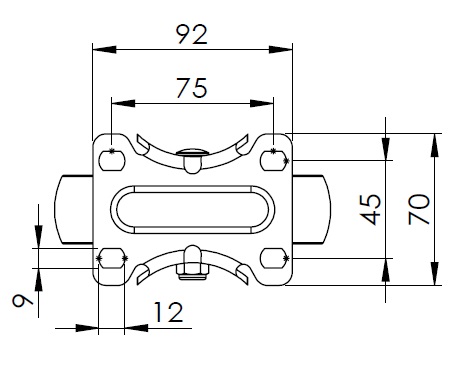
  Quy cách tấm lắp 92 x 70mm 
  khoảng cách các lỗ trên tấm nền 75 x 45mm 
  Khoảng cách các lỗ lắp 12 x 9mm 
  Tổng chiều cao 163mm 
  Độ cứng 75±5° Shore D 
  Tải trọng (động) 150kgs 


  Độ di chuyển mượt mà 
    ● ● ● ● ●

  Chế độ im lặng        ● ● ○ ○ ○

  Bảo vệ mặt sàn       ● ● ○ ○ ○

  Tải trọng (tĩnh) 225kgs 
  Nhiệt độ -20°C to +80°C 
  Càng bánh xe Cố định 
  Thép không gỉ Y
  Dẫn điện N/A 
  Chống tĩnh điện N/A 
  Trọng lượng bánh xe đẩy 0.55kgs 
  Tiêu chuẩn kiểm nghiệm ISO22883
  
  
  © Bản quyền thuộc về 2026 DershengInternational www.dersheng.com
Sản phẩm liên quan
1116-SS-MI Series — BÁNH XE ĐẨY THIẾT BỊ CÀNG INOX (Chuẩn Mỹ)
Bánh xe nylon W (màu trắng) Đường kính bánh xe × chiều rộng bánh xe 125 x 31mm
TW-4111605001021
125 mm 150 Kgs 163 mm
Bánh xe cố định, khung dập liền khối — đục lỗ cao cấp Rung bề mặt, thiết bị lắp đặt tấm đế Lõi bánh xe và bề mặt bánh xe bằng nhựa nhiệt dẻo Trắng, ổ trục bánh xe — ổ trục bi chính xác.
1116-SS-MI Series — BÁNH XE ĐẨY THIẾT BỊ CÀNG INOX (Chuẩn Mỹ)
Bánh xe nylon W (màu trắng) Đường kính bánh xe × chiều rộng bánh xe 125 x 31mm
TW-4111605002021
125 mm 150 Kgs 163.5 mm
Bánh xe di động, giá đỡ tấm đế được tán đinh và dập khuôn - lỗ chất lượng cao Rung bề mặt, thiết bị lắp đặt tấm đế Lõi bánh xe và bề mặt bánh xe bằng nhựa nhiệt dẻo gia cường Màu xám, ổ bi bánh xe - ổ bi cầu chính xác.