Phiếu thông tin sản phẩm
1116-SS-MI Series — BÁNH XE ĐẨY THIẾT BỊ CÀNG INOX (Chuẩn Mỹ)
  Bánh xe PPR đường kính bánh xe × chiều rộng bánh xe 125 x 31mm
  EAN
  TW-4111605001044    
         
Bánh xe cố định, chân đúc liền khối — đột lỗ cao cấp Bề mặt chống rung, thiết bị lắp đế Lõi bánh xe bằng polypropylene chống va đập, bề mặt bánh xe bằng nhựa nhiệt dẻo đàn hồi (TPR) Vòng bi bánh xe màu xám — vòng bi chính xác.
  Bề mặt bánh xe: Cao su nhiệt dẻo đàn hồi (TPR)
  Lõi bánh xe: Được làm bằng polypropylen chống va đập chất lượng cao

    Mô tả sản phẩm chỉ mang tính chất tham khảo. Sản phẩm thực tế sẽ được ưu tiên.



     
      đơn vị mét đế quốc
  Đường kính bánh xe 125mm 

  Chiều rộng bánh xe 31mm 
  vòng bi bánh xe Bánh xe trang bị vòng bi bi
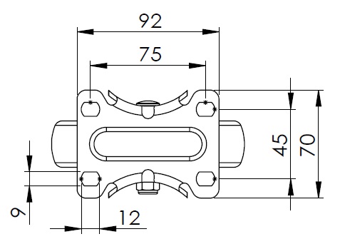
  Quy cách tấm lắp 92 x 70mm 
  khoảng cách các lỗ trên tấm nền 75 x 45mm 
  Khoảng cách các lỗ lắp 12 x 9mm 
  Tổng chiều cao 163mm 
  Độ cứng 82±5° Shore A 
  Tải trọng (động) 110kgs 


  Độ di chuyển mượt mà 
    ● ● ● ● ○

  Chế độ im lặng        ● ● ● ● ○

  Bảo vệ mặt sàn       ● ● ● ● ●

  Tải trọng (tĩnh) 165kgs 
  Nhiệt độ -20°C to +60°C 
  Càng bánh xe Cố định 
  Thép không gỉ Y
  Dẫn điện N/A 
  Chống tĩnh điện N/A 
  Trọng lượng bánh xe đẩy 0.55kgs 
  Tiêu chuẩn kiểm nghiệm ISO22883
  
  
  © Bản quyền thuộc về 2026 DershengInternational www.dersheng.com
Sản phẩm liên quan
1116-SS-MI Series — BÁNH XE ĐẨY THIẾT BỊ CÀNG INOX (Chuẩn Mỹ)
Bánh xe PPR đường kính bánh xe × chiều rộng bánh xe 125 x 31mm
TW-4111605002075
125 mm 110 Kgs 164 mm