|
|
Phiếu thông tin sản phẩm |
|
|
|
||
| 1153-SS Series — SERIES 53 BÁNH XE CHUẨN CHÂU ÂU CÀNG INOX |
|
|
||||
| Bánh xe hiệu ứng đầy đủ Đường kính bánh xe × chiều rộng bánh xe 151 x 50mm |
|
|
||||
| EAN |
|
|||||
|
TW-4111606001009
|
|
|||||
|
|
|
|||||
| Bánh xe cố định, khung thép hàn Bề mặt chống rung, thiết bị lắp đặt tấm đế Lõi bánh xe bằng polypropylene chống va đập, bề mặt bánh xe bằng nhựa nhiệt dẻo đàn hồi (TPR) Vòng bi bánh xe màu xám—vòng bi chính xác. |
|
|||||
|
|
|
|||||
| Bề mặt bánh xe: Cao su nhiệt dẻo đàn hồi (TPR) Lõi bánh xe: Được làm bằng polypropylen chống va đập chất lượng cao Mô tả sản phẩm chỉ mang tính chất tham khảo. Sản phẩm thực tế sẽ được ưu tiên. |
|
|||||
|
|
|
|||||
đơn vị mét đế quốc
Đường kính bánh xe
151mm
Chiều rộng bánh xe
50mm
|
|
|
||||
|
vòng bi bánh xe
Bánh xe trang bị vòng bi bi
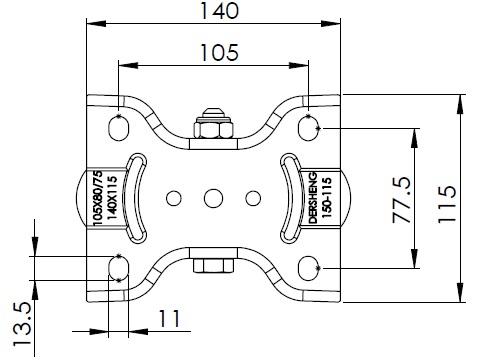
Quy cách tấm lắp
140 x 115mm
khoảng cách các lỗ trên tấm nền
105 x 77.5mm
Khoảng cách các lỗ lắp
13.5 x 11mm
Tổng chiều cao
191mm
Độ cứng
72±5° Shore A
Tải trọng (động)
204kgs
|
Độ di chuyển mượt mà ● ● ● ● ● Chế độ im lặng ● ● ● ● ● Bảo vệ mặt sàn ● ● ● ● ● |
|||||
|
Tải trọng (tĩnh)
306kgs
Nhiệt độ
-20°C to +60°C
Càng bánh xe
Cố định
|
|
|||||
|
Thép không gỉ
Y
Dẫn điện
N/A
Chống tĩnh điện
N/A
Trọng lượng bánh xe đẩy
1.20kgs
Tiêu chuẩn kiểm nghiệm
ISO22883
|
|
|
||||
|
|
|||||
|
|
|||||
|
|
|||||
|
|
|||||
| © Bản quyền thuộc về 2026 DershengInternational www.dersheng.com | ||||||