Phiếu thông tin sản phẩm
Dòng thép không gỉ loại B 1116-SS-B
  WMRC đường kính bánh xe × chiều rộng bánh xe 150 x 40mm
  EAN
  TW-4111606001013    
         
Bánh xe cố định, khung thép hàn. Rung bề mặt, thiết bị lắp đặt tấm đế. Lõi bánh xe và bề mặt bánh xe bằng nhựa nhiệt dẻo (vòng bi sắt mạ kẽm). Màu trắng, vòng bi bánh xe—vòng bi chính xác.
  Bề mặt bánh xe: nhựa nhiệt dẻo
  Lõi bánh xe: nhựa nhiệt dẻo

    Mô tả sản phẩm chỉ mang tính chất tham khảo. Sản phẩm thực tế sẽ được ưu tiên.



     
      đơn vị mét đế quốc
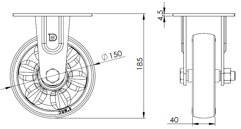
  Đường kính bánh xe 150mm 

  Chiều rộng bánh xe 40mm 
  vòng bi bánh xe Bánh xe trang bị vòng bi bi
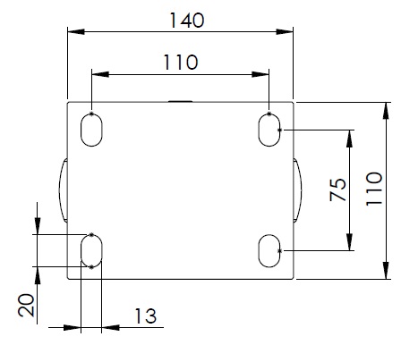
  Quy cách tấm lắp 140 x 110mm 
  khoảng cách các lỗ trên tấm nền 110x75mm 
  Khoảng cách các lỗ lắp 20 x 13mm 
  Tổng chiều cao 185mm 
  Độ cứng 75±5° Shore D 
  Tải trọng (động) 400kgs 


  Độ di chuyển mượt mà 
    ● ● ● ● ●

  Chế độ im lặng        ● ● ○ ○ ○

  Bảo vệ mặt sàn       ● ● ○ ○ ○

  Tải trọng (tĩnh) 600kgs 
  Nhiệt độ -20°C to +80°C 
  Càng bánh xe Cố định 
  Thép không gỉ Y
  Dẫn điện N/A 
  Chống tĩnh điện N/A 
  Trọng lượng bánh xe đẩy 1.70kgs 
  Tiêu chuẩn kiểm nghiệm ISO22883
  
  
  © Bản quyền thuộc về 2026 DershengInternational www.dersheng.com
Sản phẩm liên quan
Dòng thép không gỉ loại B 1116-SS-B
WMRC đường kính bánh xe × chiều rộng bánh xe 150 x 40mm
TW-4111606001004
150 mm 400 Kgs 185 mm
Bánh xe cố định, khung thép hàn; rung bề mặt, thiết bị lắp tấm đế; lõi bánh xe và bề mặt bánh xe bằng nhựa nhiệt dẻo gia cố; màu trắng; ổ trục bánh xe—ổ trục bi chính xác.