|
|
Phiếu thông tin sản phẩm |
|
|
|
||
| Dòng thép không gỉ loại B 1116-SS-B |
|
|
||||
| Bánh xe EQPU (màu nâu) đường kính bánh xe × chiều rộng bánh xe 150 x 42mm |
|
|
||||
| EAN |
|
|||||
|
TW-4111606001014
|
|
|||||
|
|
|
|||||
| Bánh xe cố định, khung thép hàn. Hệ thống rung bề mặt, thiết bị lắp đặt tấm đế. Lõi bánh xe bằng gang, bề mặt bánh xe bằng polyurethane chất lượng cao (cao su siêu dày). Màu nâu, ổ trục bánh xe—ổ trục bi chính xác. |
|
|||||
|
|
|
|||||
| Bề mặt bánh xe: Polyurethane chất lượng cao Lõi bánh xe: Lõi sắt / Lõi gang Mô tả sản phẩm chỉ mang tính chất tham khảo. Sản phẩm thực tế sẽ được ưu tiên. |
|
|||||
|
|
|
|||||
đơn vị mét đế quốc
Đường kính bánh xe
150mm
Chiều rộng bánh xe
42mm
|
|
|
||||
|
vòng bi bánh xe
Bánh xe trang bị vòng bi bi
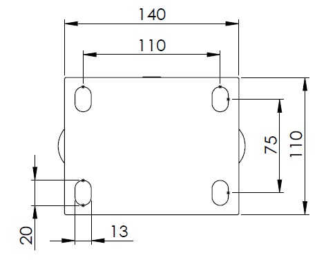
Quy cách tấm lắp
140 x 110mm
khoảng cách các lỗ trên tấm nền
110x75mm
Khoảng cách các lỗ lắp
20 x 13mm
Tổng chiều cao
185mm
Độ cứng
92±5° Shore A
Tải trọng (động)
550kgs
|
Độ di chuyển mượt mà ● ● ● ● ● Chế độ im lặng ● ● ● ● ● Bảo vệ mặt sàn ● ● ● ● ● |
|||||
|
Tải trọng (tĩnh)
825kgs
Nhiệt độ
-20°C to +70°C
Càng bánh xe
Cố định
|
|
|||||
|
Thép không gỉ
Y
Dẫn điện
N/A
Chống tĩnh điện
N/A
Trọng lượng bánh xe đẩy
2.90kgs
Tiêu chuẩn kiểm nghiệm
ISO22883
|
|
|
||||
|
|
|||||
|
|
|||||
|
|
|||||
|
|
|||||
| © Bản quyền thuộc về 2026 DershengInternational www.dersheng.com | ||||||