|
|
产品资料表 |
|
|
|
||
| 1121 25系列 |
|
|
||||
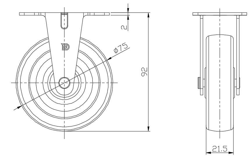
| PP(黑)轮径 × 轮宽 50×21 mm |
|
|
||||
| EAN |
|
|||||
|
YJ-11210200295033 |
|
|||||
|
|
|
|||||
| 活动式脚轮,牙心鉚合沖壓腳架—M8-P1.25
表面镀锌,丝扣式安装装置 热可塑性塑料轮芯、轮面 黑色,轮子轴承—精密滾珠。 |
|
|||||
|
|
|
|||||
| 轮面:热塑性塑料(PA6) 轮芯:热塑性塑料(PA6) 产品说明仅供参考一切以实体产品为主 |
|
|||||
|
|
|
|||||
公制 英制
轮径
50mm
轮宽
21.5mm
|
|
|
||||
|
轮子轴承
搭配中管的轮子
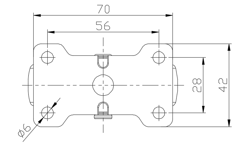
底板规格
70 x 42mm
底板孔距
56x28mm
底板孔径
总高
92mm
硬度
65±5° Shore D
荷重(动态)
50kgs
|
滚动顺畅 ● ● ● ● ● 静音表现 ● ● ● ○ ○ 保护地板 ● ● ● ○ ○ |
|||||
|
荷重(静态)
75kgs
温度
-10°C to +60°C
脚架样式
固定
|
|
|||||
|
不锈钢
否
导电
否
抗静电
否
脚轮重量
0.23kgs
测试标准
ISO22883
|
|
|
||||
|
|
|||||
|
|
|||||
|
|
|||||
|
|
|||||
| © 版权所有 2026 得貹上好轮 www.dersheng.com | ||||||