产品资料表
1121 25系列
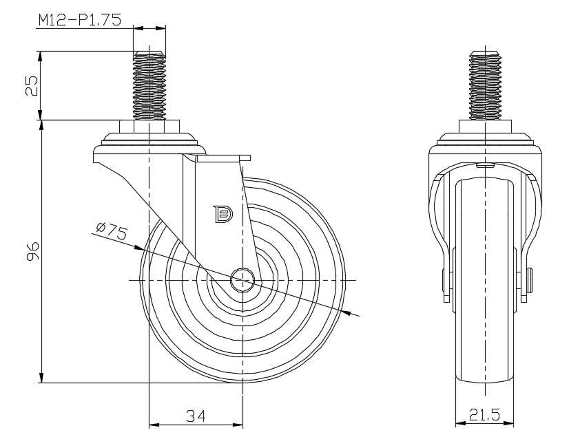
  橡胶轮(黑)轮径 × 轮宽 75×21.5 mm
  EAN
         
  YJ-11210300065063    
活动式脚轮,牙心鉚合沖壓腳架—M12-P1.75
表面镀锌,丝扣式安装装置
高品质的弹力橡胶轮芯、轮面
黑色,轮子—中管式。
  轮面:高品质的弹力橡胶
  轮芯:高品质的弹力橡胶

    产品说明仅供参考一切以实体产品为主



     
      公制 英制
  轮径 75mm 

  轮宽 21.5mm 
  轮子轴承 搭配中管的轮子 
  丝扣规格 M12-P1.75
  丝扣长度 25mm
  偏心距 34mm 
  旋转干涉 143mm 
  总高 96mm 
  旋转半径 71.5mm 
  硬度 80±5° Shore A 
  荷重(动态) 50kgs 


  滚动顺畅
      ● ● ● ○ ○

  静音表现      ● ● ● ● ○

  保护地板      ● ● ● ● ○

  荷重(静态) 75kgs 
  温度 -20°C to +120°C 
  脚架样式 活动 
  不锈钢
  导电 否 
  抗静电 否 
  脚轮重量 0.29kgs 
  测试标准 ISO22883
  
  
  © 版权所有 2026 得貹上好轮 www.dersheng.com
关  联  产  品
1121 25系列
橡胶轮(黑)轮径 × 轮宽 75×21.5 mm
YJ-11210300066043
75 mm 50 Kgs 96 mm
配有侧(轮)煞式,锁定系统的脚轮。牙心铆合沖压腳架—M12-P1.75
表面镀锌,丝扣式安装装置
高品质的弹力橡胶轮芯、轮面
黑色,轮子—中管式。