Product Information Sheet
1121 Double Raceway, Light Duty Caster Series
  MRC Wheel (Transparent) Diameter × Width 50×22mm
  EAN
         
  YJ-11210200076153    
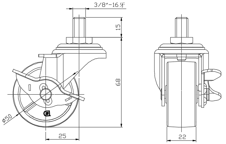
Equipped with side (wheel) brakes and a With locking system for the Casters. Stamping feet with Riveted cores—3/8"-16 teeth.
Zine-Plated surface, Mounting Type - Threaded Stem.
Reinforced Polypropylene Wheel Center and rim.
Transparent, Bearing—Ball Bearings.
  Wheel surface: Thermoplastic (PA6)
  Wheel Center: Thermoplastic (PA6)

    Drawings are for reference only and may differ from the product



     
      Metric Imperial
  Wheel Diameter 50mm 

  Wheel Width 22mm 
  Wheel Bearing Wheel With Plain Bearing
  Threaded Stem 3/8"-16牙
  Threaded Length 15mm
  Offset 25mm 
  Swivel Interference 113mm 
  Overall Height 68mm 
  Swivel Radius 56.5mm 
  Hardness Of Tread 75±5° Shore D 
  Load Capacity (Dynamic) 40kgs 


  Rolling Resistance
        ● ● ● ● ●

  Operating Noise        ● ● ○ ○ ○

  Floor Surface Preservation  ● ● ○ ○ ○

  Load Capacity (Static) 60kgs 
  Temperature -20°C to +80°C 
  Fork Type Swivel Caster With Side Brake
  Stainless N/A
  Electrical Conductivity N/A 
  Anti-Static N/A 
  Weight 0.15kgs 
  Standard ISO22883
  
  
  © Copyright 2026 DershengInternational www.dersheng.com
Related  Products  
1121 Double Raceway, Light Duty Caster Series
MRC Wheel (Transparent) Diameter × Width 50×22mm
YJ-11210200075153
50 mm 40 Kgs 68 mm
Portable Casters, Threaded Stem Stamping Fork—3/8"-16 teeth
Zine-Plated surface, Mounting Type - Threaded Stem device
Reinforced Polypropylene and Wheel Tread
Transparent, Bearing—Ball Bearings.