產品數據表
1121 25系列  
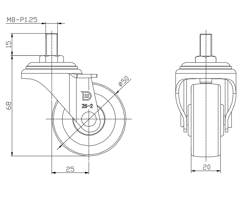
  橡膠輪 輪徑 × 輪寬 50×20mm
  EAN
         
  YJ-11210200065013    
活動式腳輪,牙心鉚合沖壓腳架—M8-P1.25
表面鍍鋅,絲扣式安裝裝置
熱可塑性塑膠輪芯,高品質的彈性橡膠輪面
黑色,輪子—中管式。
  輪面:高品質的彈性橡膠
  輪芯:熱塑性塑膠(PA6)

    產品說明僅供參考一切以實體產品為主



     
      公制 英制
  輪徑 50mm 

  輪寬 20mm 
  輪子軸承 搭配中管的輪子 
  絲扣規格 M8-P1.25
  絲扣長度 15mm
  偏心距 25mm 
  旋轉干涉 101mm 
  總高 68mm 
  旋轉半徑 50.5mm 
  硬度 80±5° Shore A 
  荷重(動態) 35kgs 


  滾動順暢
      ● ● ● ○ ○

  靜音表現      ● ● ● ● ○

  保護地板      ● ● ● ● ○

  荷重(靜態) 52.5kgs 
  溫度 -20°C to +120°C 
  腳架樣式 活動 
  不銹鋼
  導電 否 
  抗靜電 否 
  腳輪重量 0.18kgs 
  測試標準 ISO22883
  
  
  © 版權所有 2026 得貹上好輪 www.dersheng.com
關  聯  產  品
1121 25系列  
橡膠輪 輪徑 × 輪寬 50×20mm
YJ-11210200066013
50 mm 35 Kgs 68 mm
配有側(輪)煞式,鎖定係統的腳輪。牙心鉚合沖壓腳架—M8-P1.25
表面鍍鋅,絲扣式安裝裝置
熱可塑性塑膠輪芯,高品質的彈性橡膠輪面
黑色,輪子—中管式。