|
|
產品數據表 |
|
|
|
||
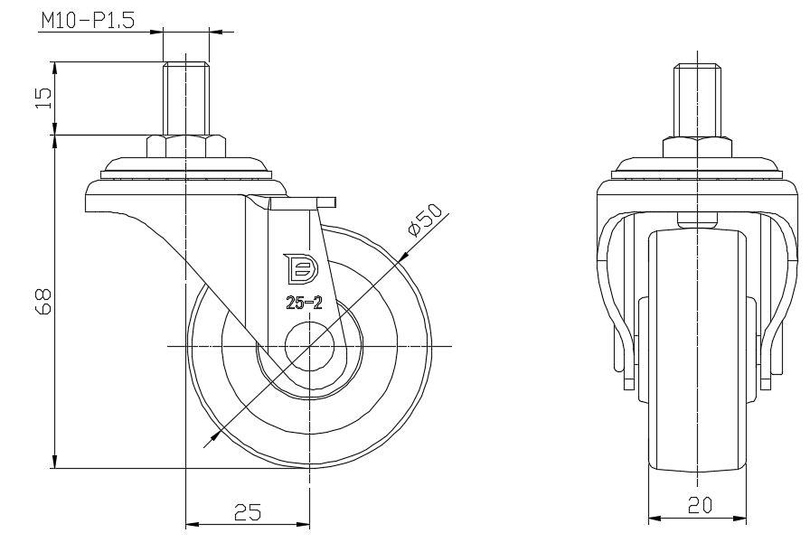
| 1121 25系列 |
|
|
||||
| 橡膠輪 輪徑 × 輪寬 50×20mm |
|
|
||||
| EAN |
|
|||||
|
YJ-11210200065123 |
|
|||||
|
|
|
|||||
| 活動式腳輪,牙心鉚合沖壓腳架—M10-P1.5
表面鍍鋅,絲扣式安裝裝置 熱可塑性塑膠輪芯,高品質的彈性橡膠輪面 黑色,輪子—中管式。 |
|
|||||
|
|
|
|||||
| 輪面:高品質的彈性橡膠 輪芯:熱塑性塑膠(PA6) 產品說明僅供參考一切以實體產品為主 |
|
|||||
|
|
|
|||||
公制 英制
輪徑
50mm
輪寬
20mm
|
|
|
||||
|
輪子軸承
搭配中管的輪子
絲扣規格
M10-P1.5
絲扣長度
15mm
偏心距
25mm
旋轉干涉
101mm
總高
68mm
旋轉半徑
50.5mm
硬度
80±5° Shore A
荷重(動態)
35kgs
|
滾動順暢 ● ● ● ○ ○ 靜音表現 ● ● ● ● ○ 保護地板 ● ● ● ● ○ |
|||||
|
荷重(靜態)
52.5kgs
溫度
-20°C to +120°C
腳架樣式
活動
|
|
|||||
|
不銹鋼
否
導電
否
抗靜電
否
腳輪重量
0.17kgs
測試標準
ISO22883
|
|
|
||||
|
|
|||||
|
|
|||||
|
|
|||||
|
|
|||||
| © 版權所有 2026 得貹上好輪 www.dersheng.com | ||||||