產品數據表
1121 25系列  
  橡膠輪 輪徑 × 輪寬 125×27mm
  EAN
         
  YJ-11210500061023    
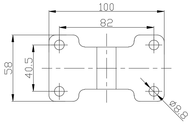
固定式腳輪,一體成型沖壓腳架—孔距82x40.5
表面鍍鋅,底板式安裝裝置
熱可塑性塑膠輪芯,高品質的彈性橡膠輪面
黑色,輪子—中管式。
  輪面:高品質的彈性橡膠
  輪芯:熱塑性塑膠(PA6)

    產品說明僅供參考一切以實體產品為主



     
      公制 英制
  輪徑 125mm 

  輪寬 27mm 
  輪子軸承 搭配中管的輪子 
  底板規格 100 x 58mm 
  底板孔距 82 x 40.5mm   
  底板孔徑 8.8mm 
  總高 149mm 
  硬度 95±5° Shore A 
  荷重(動態) 90kgs 


  滾動順暢
      ● ● ● ○ ○

  靜音表現      ● ● ● ● ○

  保護地板      ● ● ● ● ○

  荷重(靜態) 135kgs 
  溫度 -20°C to +120°C 
  腳架樣式 固定 
  不銹鋼
  導電 否 
  抗靜電 否 
  腳輪重量 0.7kgs 
  測試標準 ISO22883
  
  
  © 版權所有 2026 得貹上好輪 www.dersheng.com
關  聯  產  品
1121 25系列  
橡膠輪 輪徑 × 輪寬 125×27mm
YJ-11210500062033
125 mm 90 Kgs 149 mm
活動式腳輪,底板鉚合沖壓腳架—孔距82x40.5
表面鍍鋅,底板式(2.5T)安裝裝置
熱可塑性塑膠輪芯,高品質的彈性橡膠輪面
黑色,輪子—中管式。