|
|
產品數據表 |
|
|
|
||
| 1121 25系列 |
|
|
||||
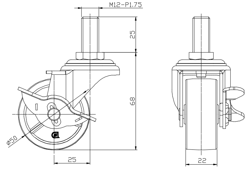
| 橡膠輪 輪徑 × 輪寬 50×20mm |
|
|
||||
| EAN |
|
|||||
|
YJ-11210200076083 |
|
|||||
|
|
|
|||||
| 配有側(輪)煞式,鎖定係統的腳輪。牙心鉚合沖壓腳架—M12-P1.75
表面鍍鋅,絲扣式安裝裝置 熱可塑性塑膠輪芯、輪面 透明,輪子軸承—精密滾珠。 |
|
|||||
|
|
|
|||||
| 輪面:熱塑性塑膠(PA6) 輪芯:熱塑性塑膠(PA6) 產品說明僅供參考一切以實體產品為主 |
|
|||||
|
|
|
|||||
公制 英制
輪徑
50mm
輪寬
22mm
|
|
|
||||
|
輪子軸承
搭配中管的輪子
絲扣規格
M12-P1.75
絲扣長度
25mm
偏心距
25mm
旋轉干涉
113mm
總高
68mm
旋轉半徑
56.5mm
硬度
75±5° Shore D
荷重(動態)
40kgs
|
滾動順暢 ● ● ● ● ● 靜音表現 ● ● ○ ○ ○ 保護地板 ● ● ○ ○ ○ |
|||||
|
荷重(靜態)
60kgs
溫度
-20°C to +80°C
腳架樣式
側煞(單)
|
|
|||||
|
不銹鋼
否
導電
否
抗靜電
否
腳輪重量
0.17kgs
測試標準
ISO22883
|
|
|
||||
|
|
|||||
|
|
|||||
|
|
|||||
|
|
|||||
| © 版權所有 2026 得貹上好輪 www.dersheng.com | ||||||