產品數據表
1121 25系列  
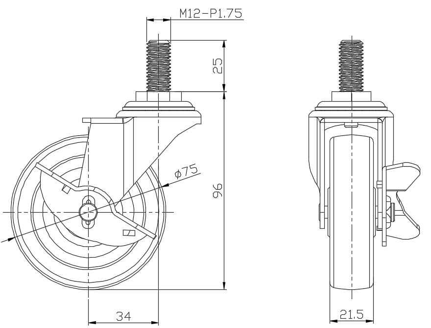
  橡膠輪(黑)輪徑 × 輪寬 75×21.5mm
  EAN
         
  YJ-11210300066043    
配有侧(轮)煞式,锁定系统的脚轮。牙心铆合沖压腳架—M12-P1.75
表面镀锌,丝扣式安装装置
高品质的弹力橡胶轮芯、轮面
黑色,轮子—中管式。
  轮面:高品质的弹力橡胶
  轮芯:高品质的弹力橡胶

    產品說明僅供參考一切以實體產品為主



     
      公制 英制
  輪徑 75mm 

  輪寬 21.5mm 
  輪子軸承 搭配中管的輪子 
  絲扣規格 M12-P1.75
  絲扣長度 25mm
  偏心距 34mm 
  旋轉干涉 143mm 
  總高 96mm 
  旋轉半徑 71.5mm 
  硬度 80±5° Shore A 
  荷重(動態) 50kgs 


  滾動順暢
      ● ● ● ○ ○

  靜音表現      ● ● ● ● ○

  保護地板      ● ● ● ● ○

  荷重(靜態) 75kgs 
  溫度 -20°C to +120°C 
  腳架樣式 側煞(單)
  不銹鋼
  導電 否 
  抗靜電 否 
  腳輪重量 0.32kgs 
  測試標準 ISO22883
  
  
  © 版權所有 2026 得貹上好輪 www.dersheng.com
關  聯  產  品
1121 25系列  
橡膠輪(黑)輪徑 × 輪寬 75×21.5mm
YJ-11210300065063
75 mm 50 Kgs 96 mm
活动式脚轮,牙心鉚合沖壓腳架—M12-P1.75
表面镀锌,丝扣式安装装置
高品质的弹力橡胶轮芯、轮面
黑色,轮子—中管式。