Product Data Sheet
1124 1-1/2" Wide General Purposes Caster Series
  W Resolute (black, dark gray) Wheel Diameter × Wheel Width 100 x 36mm
  EAN
         
  YJ-11240400452013    
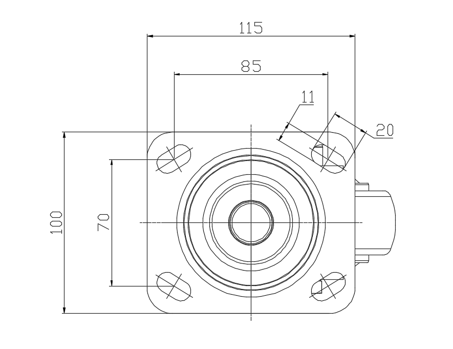
Swivel Caster with Riveted Fork and Stamping Fork – 85 x 70mm (3-3/8" x 2-3/4") Bolt Hole Spacing
Zine-Plated, Top Plateed (4.5T) Mounting Type system
Reinforced, impact-resistant polypropylene Wheel Center with High-Quality Reinforced Polypropylene Rubber (TPR) Wheel Tread
Dark gray finish, Bearing – Ball Bearing.
  Wheel tread: Thermoplastic rubber elastomer (TPR)
  Wheel Center: Made of high-quality impact-resistant polypropylene

    Drawings are for reference only and may differ from the product



     
      Metric Imperial
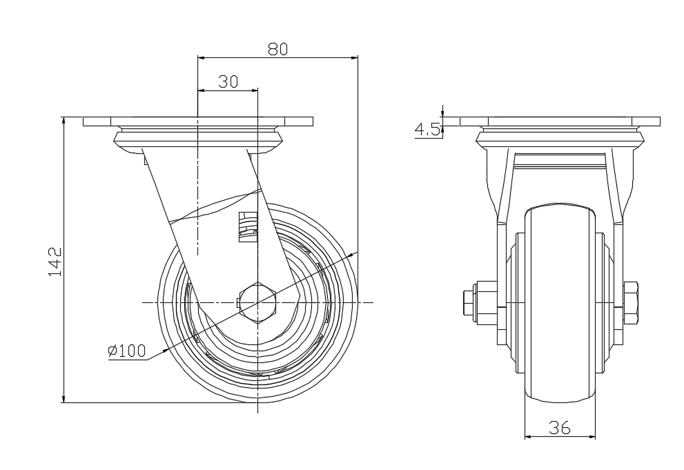
  Wheel Diameter 100mm 
  Wheel Width 36mm 
  Wheel Bearing Wheels With Ball Bearings
  Plate Size 115 x 100mm 
  Bolt Hole Spacing 85 x 70mm 
  Plate Hole 20 x 11mm 
  Offset 30mm 
  Swivel Interference 160mm 
  Overall Height 142mm 
  Swivel Radius 80mm 
  Hardness Of Tread 72±5° Shore A 
  Load Capacity (Dynamic) 140kgs 


  Rolling Resistance
        ● ● ● ● ●

  Operating Noise        ● ● ● ● ●

  Floor Surface Preservation  ● ● ● ● ●

  Load Capacity (Static) 210kgs 
  Temperature -20°C to +60°C 
  Fork Type Swivel Caster 
  Stainless N/A
  Electrical Conductivity N/A 
  Anti-Static N/A 
  Weight 1.38kgs 
  Standard ISO22883
  
  
  © Copyright 2025 DershengInternational www.dersheng.com


            關  聯  產  品



  1124 1-1/2" Wide General Purposes Caster Series
   W Resolute (black, dark gray) Wheel Diameter × Wheel Width 100 x 36mm

     
   YJ-11240400451013    

         100 mm         140 Kgs         142 mm    

Rigid Caster, Welded Caster Fork with 85 x 70mm (3-3/8" x 2-3/4") Bolt Hole Spacing cutouts
Zine-Plated, Top Plate (4.5T) Mounting Type system
Reinforced, impact-resistant polypropylene Wheel Center with High-Quality Reinforced Polypropylene Rubber (TPR) Wheel Tread
Dark gray finish, Ball Bearings.