Product Data Sheet
1124 1-1/2" Wide General Purposes Caster Series
  CPD (White) Wheel Diameter × Wheel Width 200 x 50mm
  EAN
         
  YJ-11240800442013    
Swivel Caster, Top Plate Riveted with Fork—D-shaped hole Zine-Plated, Top Plate (4.5T) Mounting Type mechanism Reinforced Polypropylene and tread Transparent, Bearing—Ball Bearing, with special anti-tangle wheel caps
  Wheel tread: Thermoplastic (PA6)
  Wheel Center: Thermoplastic (PA6)

    Drawings are for reference only and may differ from the product



     
      Metric Imperial
  Wheel Diameter 200mm 

  Wheel Width 50mm 
  Wheel Bearing Wheels With Ball Bearings
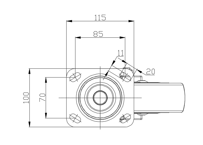
  Plate Size 115 x 100mm 
  Bolt Hole Spacing 85 x 70mm 
  Plate Hole 20 x 11mm 
  Offset 45mm 
  Swivel Interference 290mm 
  Overall Height 240mm 
  Swivel Radius 145mm 
  Hardness Of Tread 72±5° Shore D 
  Load Capacity (Dynamic) 300kgs 


  Rolling Resistance
        ● ● ● ● ●

  Operating Noise        ● ● ● ○ ○

  Floor Surface Preservation  ● ● ● ○ ○

  Load Capacity (Static) 450kgs 
  Temperature -12°C to +60°C 
  Fork Type Swivel Caster 
  Stainless N/A
  Electrical Conductivity N/A 
  Anti-Static N/A 
  Weight 2.84kgs 
  Standard ISO22883
  
  
  © Copyright 2026 DershengInternational www.dersheng.com
Related  Products  
1124 1-1/2" Wide General Purposes Caster Series
CPD (White) Wheel Diameter × Wheel Width 200 x 50mm
YJ-11240800441013
200 mm 300 Kgs 240 mm
Rigid Caster, Welded Caster Fork 85 x 70mm (3-3/8" x 2-3/4") Bolt Hole Spacing Zine-Plated, Top Plate (4.5T) Mounting Type system Reinforced Polypropylene and tread Transparent, Ball Bearing with special anti-tangle wheel caps
1124 1-1/2" Wide General Purposes Caster Series
CPD (White) Wheel Diameter × Wheel Width 200 x 50mm
YJ-11240800444013
200 mm 300 Kgs 240 mm
Center Brake Locking system. Top Plate Riveted and Stamping 85 x 70mm (3-3/8" x 2-3/4") Bolt Hole Spacing. Zine-Plated, Top Plate (4.5T) Mounting Type system. Reinforced Polypropylene and tread. Transparent, Bearing—Ball Bearing, with special anti-tangle wheel covers.