Product Data Sheet
1124 1-1/2" Wide General Purposes Caster Series
  W Resolute (Light Gray) Wheel Diameter × Wheel Width 202 x 50mm
  A
         
  YJ-11240800452013    
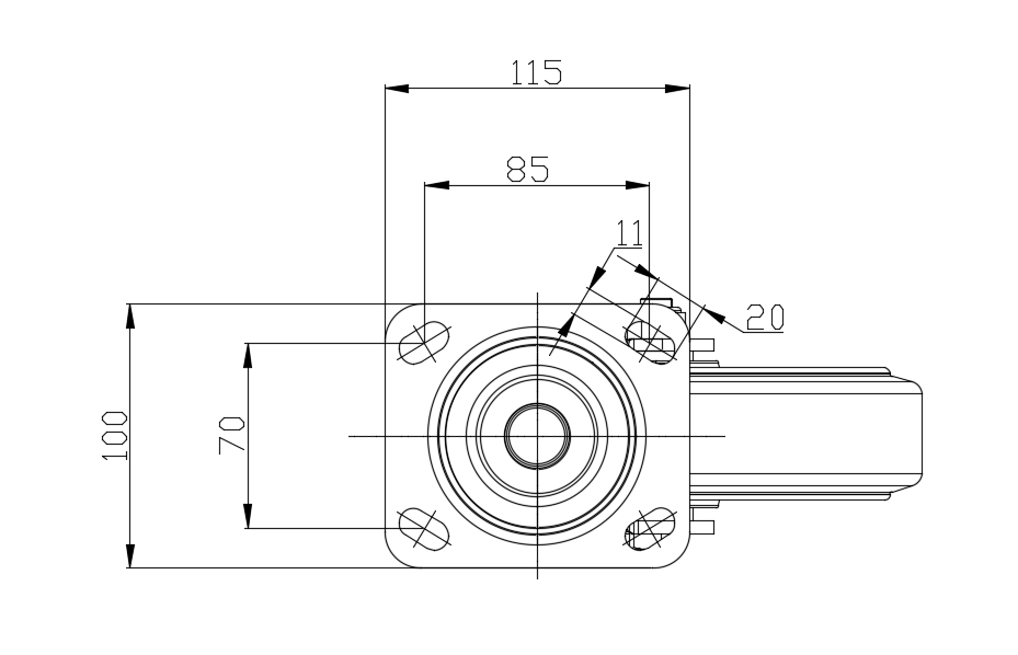
Swivel Caster with Riveted, Stamping Fork and 85 x 70mm (3-3/8" x 2-3/4") Bolt Hole Spacing Mounting Type. Zine-Plated, Top Plate (4.5T) Mounting Type mechanism. Reinforced, impact-resistant High-quality Impact Resistance Polypropylene Wheel Center with High-Quality Thermoplastic Rubber (TPR) tread. Light gray, Bearing with Ball Bearing.
  Wheel tread: Thermoplastic rubber elastomer (TPR)
  Wheel Center: Made of high-quality impact-resistant polypropylene

    Drawings are for reference only and may differ from the product



     
      Metric Imperial
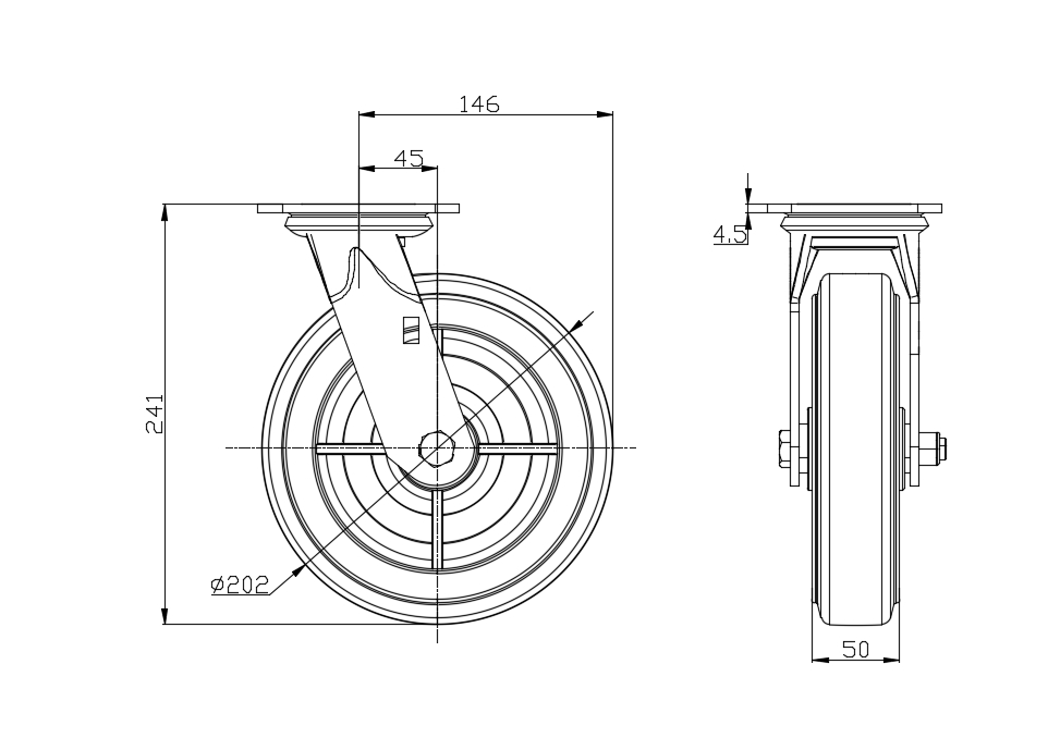
  Wheel Diameter 202mm 

  Wheel Width 50mm 
  Wheel Bearing Wheels With Ball Bearings
  Plate Size 115 x 100mm 
  Bolt Hole Spacing 85 x 70mm 
  Plate Hole 20 x 11mm 
  Offset 45mm 
  Swivel Interference 292mm 
  Overall Height 241mm 
  Swivel Radius 146mm 
  Hardness Of Tread 72±5° Shore A 
  Load Capacity (Dynamic) 306kgs 


  Rolling Resistance
        ● ● ● ● ●

  Operating Noise        ● ● ● ● ●

  Floor Surface Preservation  ● ● ● ● ●

  Load Capacity (Static) 459kgs 
  Temperature -20°C to +60°C 
  Fork Type Swivel Caster 
  Stainless N/A
  Electrical Conductivity N/A 
  Anti-Static N/A 
  Weight 2.48kgs 
  Standard ISO22883
  
  
  © Copyright 2026 DershengInternational www.dersheng.com
Related  Products  
1124 1-1/2" Wide General Purposes Caster Series
W Resolute (Light Gray) Wheel Diameter × Wheel Width 202 x 50mm
YJ-11240800454023
202 mm 306 Kgs 241 mm
Center Brake Locking system. Top Plate Riveted and Stamping 85 x 70mm (3-3/8" x 2-3/4") Bolt Hole Spacing. Zine-Plated, Top Plate (4.5T) Mounting Type. Reinforced, impact-resistant High-quality Impact Resistance Polypropylene Wheel Center with High-Quality Thermoplastic Rubber (TPR) tread. Light gray, Bearing with Ball Bearing.