|
|
產品數據表 |
|
|
|
||
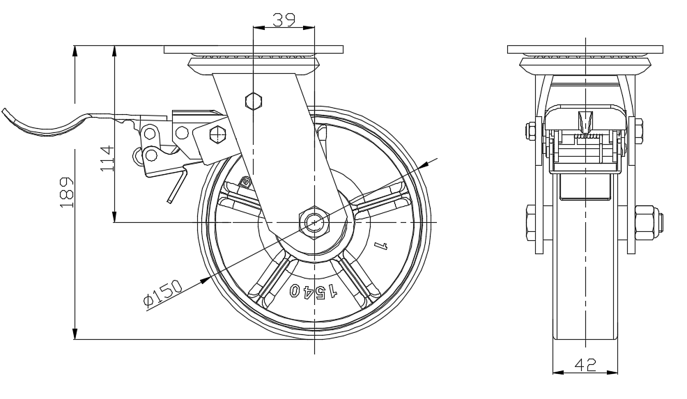
| 1124 DF型系列 |
|
|
||||
| PU輪(紅平) 輪徑 × 輪寬 150x 42mm |
|
|
||||
| EAN |
|
|||||
|
YJ-11240600334013 |
|
|||||
|
|
|
|||||
| 配有中煞式、锁定系统的脚轮。底板铆合冲压脚架—D型孔
表面镀锌,底板式(4.5T)安装装置 铸铁制轮芯,高品质聚氨酯轮面 銑红色,轮子轴承—精密滚珠。 |
|
|||||
|
|
|
|||||
| 轮面:高品质聚氨酯制成 轮芯:铸铁芯 產品說明僅供參考一切以實體產品為主 |
|
|||||
|
|
|
|||||
公制 英制
輪徑
150mm
輪寬
42mm
|
|
|
||||
|
輪子軸承
搭配滾珠軸承的輪子
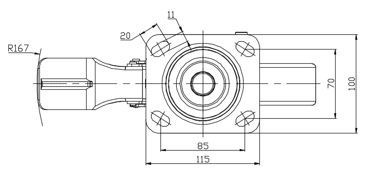
底板規格
115 x 100mm
底板孔距
85 x 70mm
底板孔徑
20 x 11mm
偏心距
39mm
旋轉干涉
334mm
總高
189mm
旋轉半徑
167mm
硬度
93±5° Shore A
荷重(動態)
600kgs
|
滾動順暢 ● ● ● ○ ○ 靜音表現 ● ● ● ● ○ 保護地板 ● ● ● ● ○ |
|||||
|
荷重(靜態)
900kgs
溫度
-20°C to +70°C
腳架樣式
後煞
|
|
|||||
|
不銹鋼
否
導電
否
抗靜電
否
腳輪重量
3.39kgs
測試標準
ISO22883
|
|
|
||||
|
|
|||||
|
|
|||||
|
|
|||||
|
|
|||||
| © 版權所有 2026 得貹上好輪 www.dersheng.com | ||||||