| 
				 | 
						  			  						Bảng dữ liệu sản phẩm | 
			  
				 |  
			
				
				 
			 | 
			
				 | 
		||
| 1124Series — 1-1/2" LOẠI CÀNG KIỂU DF | 
				 
			 | 
			
				 | 
		||||
| Bánh xe PU(bánh phẳng màu đỏ) đường kính bánh xe × chiều rộng bánh xe là 125 × 40 mm. | 
				
				
			     
			     | 
			
				 | 
		||||
| EAN | 
				 | 
		|||||
| 
			     
			    YJ-11240500334913  | 
		
			
				 | 
		|||||
| 
				 | 
			
				 | 
		|||||
| Bánh xe phanh bên có hệ thống khóa. Đế bánh xe được tán đinh và dập - hình chữ D.
Lỗ
 Hoàn thiện mạ kẽm, hệ thống lắp đế bánh xe (4.5T) Lõi gang với gai polyurethane chất lượng cao Hoàn thiện phay đỏ, ổ trục bánh xe - ổ bi chính xác.  | 
						
				 | 
		|||||
| 
				 | 
			
				 | 
		|||||
|   Mặt bánh xe: Được làm bằng polyurethane chất lượng cao				 Lõi bánh xe: lõi gang Mô tả sản phẩm chỉ mang tính chất tham khảo. Sản phẩm thực tế sẽ được ưu tiên.  | 
						
				 | 
		|||||
| 
				
																	 | 
			
				 | 
		|||||
			
																 
            			
				
				
				
					                																
												
																				                				
				
																												
																																								
																												
																												
																																
												
																												
																												
																																
																												
				
												
																												
																												
																																																								
																																																				
																																																																												
				
																				
																				
																				
																								đơn vị mét đế quốc 
				  Đường kính bánh xe
			
								
												
                 				
			
															    125mm 
								
				 
								
				
				
				  Chiều rộng bánh xe
				
								
								
																			    40mm 
								 
								
				
			 | 
            
					
				
				
																	 
            			
			 | 			
	   			
				 | 
		||||
| 
			
																												
																												
																																																				
								 
				  vòng bi bánh xe
								
								
																			    Bánh xe trang bị vòng bi bi
								 
								
				
								
				  Quy cách tấm lắp
								                
												
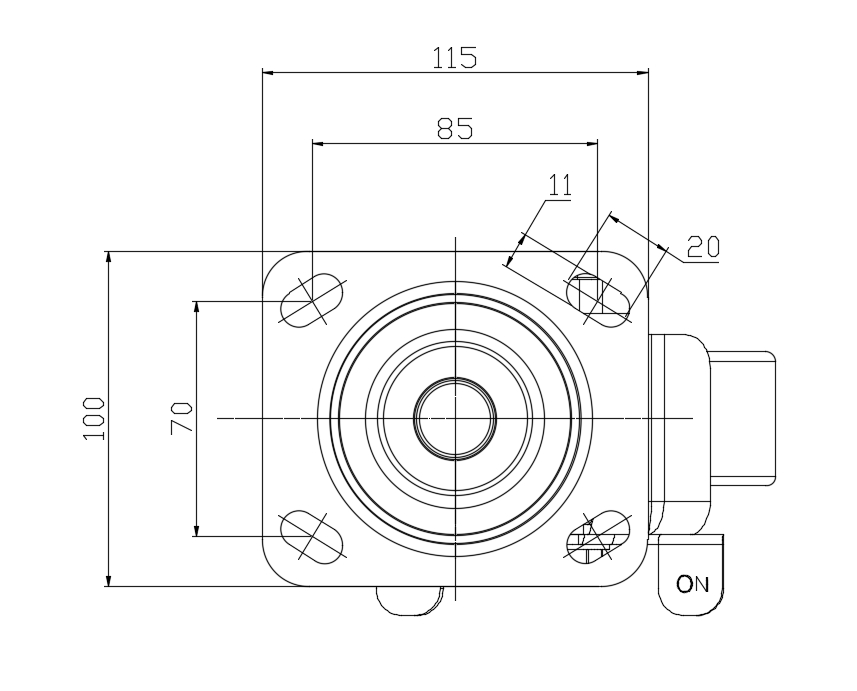
               																																			    115 x 100mm  
								
				 
												
					  khoảng cách các lỗ trên tấm nền
										
															
													
				
																	
																
				
				
																
								85 x 70mm 
								 
			    								
					  Khoảng cách các lỗ lắp
																									
									   				   				   					20 x 11mm 
				   				    
				    				 
				
								
					  Độ lệch tâm
																									
																					33mm 
								 
												
					  Sự can thiệp quay
																									
																					191mm 
								 
												
					  Tổng chiều cao
																									
					                                                  				164.5mm 
								
				 
												
					  Bán kính xoay
																																													95.5mm 
										 
												
					  Độ cứng
																																													93±5° Shore A 
										 
												
					  Tải trọng (động)
																																													250kgs 
										 
				
			 | 
			
			
			
				
																																																																																																								
							   			   			   Độ di chuyển mượt mà ● ● ● ○ ○ Chế độ im lặng ● ● ● ● ○ Bảo vệ mặt sàn ● ● ● ● ○  | 			
			|||||
| 
								 
					  Tải trọng (tĩnh)
																									
										 					 					 					375kgs 
				     					 
					  
								
								
					  Nhiệt độ
																																													-20°C to +70°C 
				    				 
					
								
     	
	 	
          																																					 			 
								
					  Càng bánh xe
																																										Khóa bên
								 
				
			 | 
				
				
																	 
            			
			 | 
			|||||
| 
				
				
																				
									
													
				                					
					
                					
								
				 
					  Thép không gỉ
																									
				    				    				    				    					N/A
				    					 
					
                 																																
									
													
													
													
								
                					
													
													
													
								
					  Dẫn điện
																									
																									N/A 
				    					 
					
					
					
				  Chống tĩnh điện	
																								N/A 
				    					 
								   
					  Trọng lượng bánh xe đẩy
																																													2.74kgs 
										
					 
												    
					  Tiêu chuẩn kiểm nghiệm
																																										ISO22883
								  | 
							
			
			     
				
				 
				 | 
			
				 | 
		||||
				
																						
																					
																					
             				 
            													
            				
			
			 | 
		
			
				 | 
		|||||
			
				
				
							
								 				 | 
			
				 | 
			
		|||||
				
								
			
																							
																																											  
           																	   
				  
		   
			 | 
			
				 | 
			
		|||||
 				
			                    
								
			
					
																																																													 
            																	
			
								   
		   			
			 | 
			
				 | 
		|||||
| © Bản quyền thuộc về 2025 DershengInternational www.dersheng.com | ||||||
			
			
			
						125 mm					
					
						
						250 Kgs					
					
						
						164.5 mm					
				
			
			
			
						125 mm					
					
						
						250 Kgs					
					
						
						164.5 mm					
				
			
			
			
						125 mm					
					
						
						250 Kgs					
					
						
						164.5 mm					
				
			
			
			
						125 mm					
					
						
						250 Kgs					
					
						
						164.5 mm					
				
			
			
			
						125 mm					
					
						
						250 Kgs					
					
						
						164.5 mm