产品数据表
1129 醫療系列
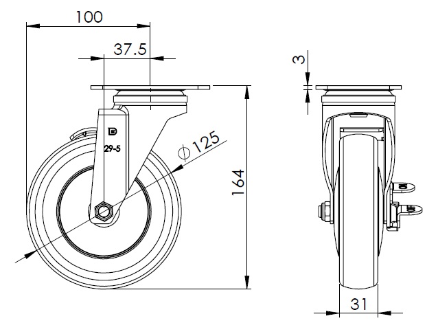
  全效轮 轮径 × 轮宽 125 x 31mm
  EAN
  TW-4112905004015    
         
配有侧(轮)煞式,锁定系统的脚轮。底板铆合冲压脚架— 进阶孔 表面镀锌,底板式(3T)安装装置 耐冲击聚丙烯轮芯,热塑性弹性体(TPR)轮面 深灰色,轮子轴承—精密滚珠。
  轮面:热塑性橡胶弹性体(TPR)
  轮芯:采用优质耐冲击聚丙烯

    产品说明仅供参考一切以实体产品为主



     
      公制 英制
  轮径 125mm 

  轮宽 31mm 
  轮子轴承 搭配滚珠轴承的轮子 
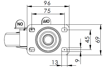
  底板规格 96 x 69mm 
  底板孔距 75 x 45mm  高級孔
  底板孔径 13 x 9mm 
  偏心距 37.5mm 
  旋转干涉 200mm 
  总高 164mm 
  旋转半径 100mm 
  硬度 72±5° Shore A 
  荷重(动态) 147kgs 


  滚动顺畅
      ● ● ● ● ●

  静音表现      ● ● ● ● ●

  保护地板      ● ● ● ● ●

  荷重(静态) 220.5kgs 
  温度 -20°C to +60°C 
  脚架样式 侧煞(单)
  不锈钢
  导电 否 
  抗静电 否 
  脚轮重量 0.85kgs 
  测试标准 ISO22883
  
  
  © 版权所有 2026 得貹上好轮 www.dersheng.com
关  联  产  品
1129 醫療系列
全效轮 轮径 × 轮宽 125 x 31mm
TW-4112905002007
125 mm 147 Kgs 164 mm
活动式脚轮,底板铆合冲压脚架—高级孔 表面镀锌,底板式安装装置 耐冲击聚丙烯轮芯,热塑性弹性体(TPR)轮面 深灰色,轮子轴承—精密滚珠。
1129 醫療系列
全效轮 轮径 × 轮宽 125 x 31mm
TW-4112905002008
125 mm 147 Kgs 164 mm
活动式脚轮,底板铆合冲压脚架—高级孔 表面镀锌,底板式(3T)安装装置 耐冲击聚丙烯轮芯,热塑性弹性体(TPR)轮面 深灰色,轮子轴承—精密滚珠。
1129 醫療系列
全效轮 轮径 × 轮宽 125 x 31mm
TW-4112905004013
125 mm 147 Kgs 164 mm
配有侧(轮)煞式,锁定系统的脚轮。底板铆合冲压脚架— 进阶孔 表面镀锌,底板式安装装置 耐冲击聚丙烯轮芯,热塑性弹性体(TPR)轮面 深灰色,轮子轴承—精密滚珠。
1129 醫療系列
全效轮 轮径 × 轮宽 125 x 31mm
TW-4112905004016
125 mm 147 Kgs 164 mm
配有双煞式,锁定系统的脚轮。底板铆合冲压脚架—高级 孔 表面镀锌,底板式(3T)安装装置 耐冲击聚丙烯轮芯,热塑性弹性体(TPR)轮面 深灰色,轮子轴承—精密滚珠。