产品资料表
1129 醫療系列
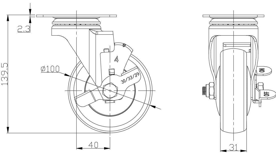
  PPR导电轮(黑灰) 轮径 × 轮宽 100 x 31mm
  EAN
         
  YJ-X11290400174013    
配有侧(轮)煞式,锁定系统的脚轮。底板铆合冲压脚架— 高级孔
表面镀锌,底板式安装装置
耐冲击聚丙烯轮芯,热塑性弹性体(TPR)轮面
黑灰色,轮子轴承 — 精密滚珠。
  轮面:热塑性橡胶弹性体(TPR)
  轮芯:採用优质耐冲击聚丙烯

    产品说明仅供参考一切以实体产品为主



     
      公制 英制
  轮径 100mm 

  轮宽 31mm 
  轮子轴承 搭配滚珠轴承的轮子 
  底板规格 95 x 72.5mm 
  底板孔距 75 x 45mm   高级孔
  底板孔径 11.3 x 8.8mm 
  偏心距 40mm 
  旋转干涉 180mm 
  总高 139.5mm 
  旋转半径 90mm 
  硬度 82±5° Shore A 
  荷重(动态) 100kgs 


  滚动顺畅
      ● ● ● ● ○

  静音表现      ● ● ● ● ○

  保护地板      ● ● ● ● ●

  荷重(静态) 150kgs 
  温度 -20°C to +60°C 
  脚架样式 侧煞(单)
  不锈钢
  导电 是 导电值:10^3~10^5
  抗静电 否 
  脚轮重量 0.78kgs 
  测试标准 ISO22883
  
  
  © 版权所有 2026 得貹上好轮 www.dersheng.com
关  联  产  品
1129 醫療系列
PPR导电轮(黑灰) 轮径 × 轮宽 100 x 31mm
YJ-X11290400172013
100 mm 100 Kgs 139.5 mm
活动式脚轮,底板铆合冲压脚架—高级孔
表面镀锌,底板式安装装置
耐冲击聚丙烯轮芯,热塑性弹性体(TPR)轮面
黑灰色,轮子轴承 — 精密滚珠。