产品资料表
1129 醫療系列
  PPR轮(珠光深灰色) 轮径 × 轮宽 75 x 27mm
  EAN
         
  YJ-11290300262013    
活动式脚轮,底板铆合冲压脚架—医疗孔
表面镀锌,底板式安装装置
耐冲击聚丙烯轮芯,热塑性弹性体(TPR)轮面
珠光深灰色,轮子轴承 — 精密滚珠。
  轮面:热塑性橡胶弹性体(TPR)
  轮芯:採用优质耐冲击聚丙烯

    产品说明仅供参考一切以实体产品为主



     
      公制 英制
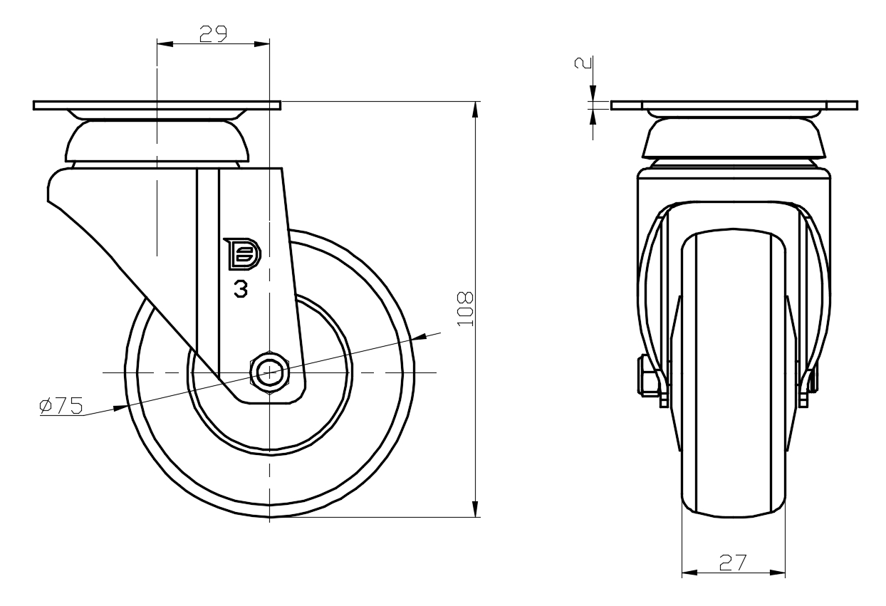
  轮径 75mm 

  轮宽 27mm 
  轮子轴承 搭配滚珠轴承的轮子 
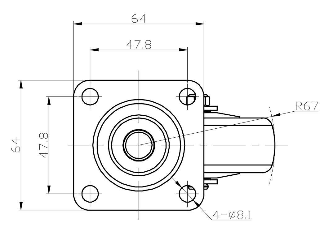
  底板规格 64 x 64mm 
  底板孔距 47.8 x 47.8mm   
  底板孔径 8.1mm 
  偏心距 29mm 
  旋转干涉 134mm 
  总高 108mm 
  旋转半径 67mm 
  硬度 82±5° Shore A 
  荷重(动态) 70kgs 


  滚动顺畅
      ● ● ● ● ○

  静音表现      ● ● ● ● ○

  保护地板      ● ● ● ● ●

  荷重(静态) 105kgs 
  温度 -20°C to +60°C 
  脚架样式 活动 
  不锈钢
  导电 否 
  抗静电 否 
  脚轮重量 0.38kgs 
  测试标准 ISO22883
  
  
  © 版权所有 2026 得貹上好轮 www.dersheng.com
关  联  产  品
1129 醫療系列
PPR轮(珠光深灰色) 轮径 × 轮宽 75 x 27mm
YJ-11290300261113
75 mm 70 Kgs 108 mm
固定式脚轮,一体成型冲压脚架—医疗孔
表面镀锌,底板式安装装置
耐冲击聚丙烯轮芯,热塑性弹性体(TPR)轮面
珠光深灰色,轮子轴承 — 精密滚珠。
1129 醫療系列
PPR轮(珠光深灰色) 轮径 × 轮宽 75 x 27mm
YJ-11290300264013
75 mm 70 Kgs 108 mm
配有双煞式,锁定系统的脚轮。底板铆合冲压脚架—医疗孔
表面镀锌,底板式安装装置
耐冲击聚丙烯轮芯,热塑性弹性体(TPR)轮面
珠光深灰色,轮子轴承 — 精密滚珠。