|
|
Product Data Sheet |
|
|
|
||
| 1129 Medical Caster Series |
|
|
||||
| PPR (S) Wheel Diameter × Wheel Width 125 x 31mm |
|
|
||||
| EAN |
|
|||||
|
TW-4112905001024
|
|
|||||
|
|
|
|||||
|
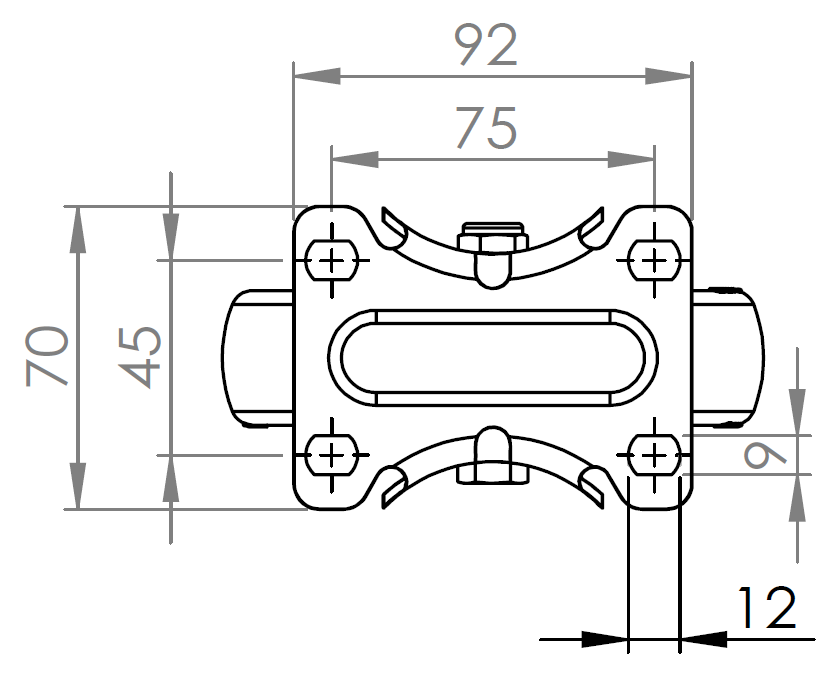
Rigid Caster with Stamping Fabricated Caster Fork and 75 x 45 mm (3" x 1-3/4") Bolt Hole Spacing.
Zine-Plated, Mounting Type - Top Plate. High-Quality Impact-Resistant Polypropylene core with High-Quality Reinforced Polypropylene Rubber (TPR) Wheel Tread. Dark gray, Bearing with Ball Bearings. |
|
|||||
|
|
|
|||||
| Wheel tread: Thermoplastic rubber elastomer (TPR) Wheel Center: high-quality impact-resistant polypropylene Drawings are for reference only and may differ from the product |
|
|||||
|
|
|
|||||
Metric Imperial Wheel Diameter 125mm Wheel Width 31mm |
|
|
||||
|
Wheel Bearing
Wheels With Ball Bearings
Plate Size 92 x 70mm Bolt Hole Spacing 75 x 45mm Plate Hole 12 x 9mm Overall Height 162mm Hardness Of Tread 82±5° Shore A Load Capacity (Dynamic) 100kgs |
Rolling Resistance ● ● ● ● ○ Operating Noise ● ● ● ● ○ Floor Surface Preservation ● ● ● ● ● |
|||||
|
Load Capacity (Static)
150kgs
Temperature -20°C to +60°C Fork Type Rigid Caster |
|
|||||
|
Stainless
N/A
Electrical Conductivity N/A Anti-Static N/A Weight 0.50kgs Standard ISO22883 |
|
|
||||
|
|
|||||
|
|
|||||
|
|
|||||
|
|
|||||
| © Copyright 2025 DershengInternational www.dersheng.com | ||||||