Product Data Sheet
1129 Medical Caster Series
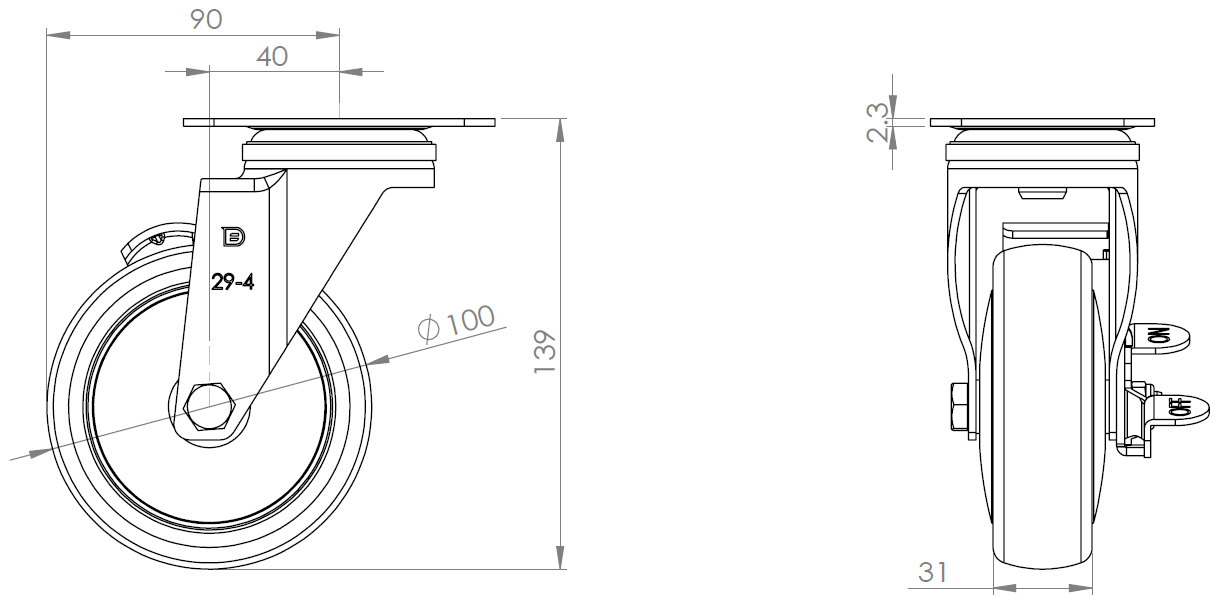
  PPR Wheel Diameter × Wheel Width 100 x 31mm
  EAN
  TW-4112904004001    
         
Casters with Side Brakes and With locking system. Premium Fork with Riveted Fork. Hole
Zine-Plated, Mounting Type - Top Plate
High-Quality Impact-Resistant Polypropylene Wheel Center with High-Quality Reinforced Polypropylene Rubber (TPR) Wheel Tread
Dark gray, Plain Bearings.
  Wheel tread: Thermoplastic rubber elastomer (TPR)
  Wheel Center: high-quality impact-resistant polypropylene

    Drawings are for reference only and may differ from the product



     
      Metric Imperial
  Wheel Diameter 100mm 

  Wheel Width 31mm 
  Wheel Bearing Wheel With Plain Bearing
  Plate Size 96 x 69mm 
  Bolt Hole Spacing 75 x 45mm 
  Plate Hole 13 x 9mm 
  Offset 40mm 
  Swivel Interference 180mm 
  Overall Height 139mm 
  Swivel Radius 90mm 
  Hardness Of Tread 82±5° Shore A 
  Load Capacity (Dynamic) 80kgs 


  Rolling Resistance
        ● ● ● ● ○

  Operating Noise        ● ● ● ● ○

  Floor Surface Preservation  ● ● ● ● ●

  Load Capacity (Static) 120kgs 
  Temperature -20°C to +60°C 
  Fork Type Swivel Caster With Side Brake
  Stainless N/A
  Electrical Conductivity N/A 
  Anti-Static N/A 
  Weight 0.70kgs 
  Standard ISO22883
  
  
  © Copyright 2026 DershengInternational www.dersheng.com
Related  Products  
1129 Medical Caster Series
PPR Wheel Diameter × Wheel Width 100 x 31mm
TW-4112904004002
100 mm 80 Kgs 139 mm
Total Brake locking system. Top Plate with Riveted, Stamping Fork and 75 x 45 mm (3" x 1-3/4") Bolt Hole Spacing.
Zine-Plated, Mounting Type - Top Plate.
High-Quality Impact-Resistant Polypropylene Wheel Center with High-Quality Reinforced Polypropylene Rubber (TPR) Wheel Tread.
Dark gray, Plain Bearings.
1129 Medical Caster Series
PPR Wheel Diameter × Wheel Width 100 x 31mm
TW-4112904004004
100 mm 80 Kgs 139 mm
Total Brake locking system. Top Plate with Riveted, Stamping Fork and 75 x 45 mm (3" x 1-3/4") Bolt Hole Spacing.
Zine-Plated, Top Plate (3T) Mounting Type system.
High-Quality Impact-Resistant Polypropylene Wheel Center with High-Quality Reinforced Polypropylene Rubber (TPR) Wheel Tread.
Dark gray, Plain Bearings.
1129 Medical Caster Series
PPR Wheel Diameter × Wheel Width 100 x 31mm
TW-4112904002002
100 mm 80 Kgs 139 mm
Swivel Caster with Riveted Fork and Stamping Fork - 75 x 45 mm (3" x 1-3/4") Bolt Hole Spacing
Zine-Plated, Top Plate (3T) Mounting Type system
High-Quality Impact-Resistant Polypropylene core with High-Quality Reinforced Polypropylene Rubber (TPR) Wheel Tread
Dark gray, Plain Bearing.