Product Data Sheet
1129 Medical Caster Series
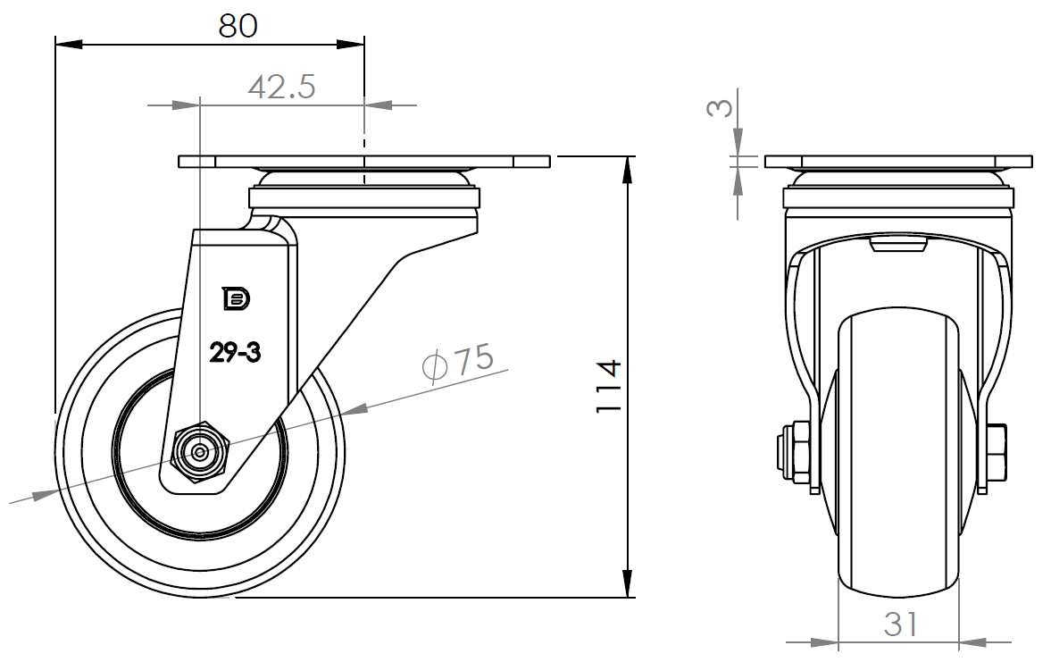
  Resolute Wheel Diameter × Wheel Width 75 x 31mm
  EAN
  TW-4112903002008    
         
Swivel Caster with Riveted Fork and Stamping Fork—75 x 45 mm (3" x 1-3/4") Bolt Hole Spacing
Zine-Plated, Top Plate (3T) Mounting Type system
High-Quality Impact-Resistant Polypropylene core with High-Quality Reinforced Polypropylene Rubber (TPR) Wheel Tread
Dark gray, Bearing—Ball Bearings.
  Wheel tread: Thermoplastic rubber elastomer (TPR)
  Wheel Center: Made of high-quality impact-resistant polypropylene

    Drawings are for reference only and may differ from the product



     
      Metric Imperial
  Wheel Diameter 75mm 

  Wheel Width 31mm 
  Wheel Bearing Wheels With Ball Bearings
  Plate Size 96 x 69mm 
  Bolt Hole Spacing 75 x 45mm 
  Plate Hole 13 x 9mm 
  Offset 42.5mm 
  Swivel Interference 160mm 
  Overall Height 114mm 
  Swivel Radius 80mm 
  Hardness Of Tread 72±5° Shore A 
  Load Capacity (Dynamic) 90kgs 


  Rolling Resistance
        ● ● ● ● ●

  Operating Noise        ● ● ● ● ●

  Floor Surface Preservation  ● ● ● ● ●

  Load Capacity (Static) 135kgs 
  Temperature -20°C to +60°C 
  Fork Type Swivel Caster 
  Stainless N/A
  Electrical Conductivity N/A 
  Anti-Static N/A 
  Weight 0.60kgs 
  Standard ISO22883
  
  
  © Copyright 2026 DershengInternational www.dersheng.com
Related  Products  
1129 Medical Caster Series
Resolute Wheel Diameter × Wheel Width 75 x 31mm
TW-4112903004013
75 mm 90 Kgs 114 mm
Casters with Side Brakes and With locking system. Base plate Riveted with Fork – 75 x 45 mm (3" x 1-3/4") Bolt Hole Spacing. Zine-Plated, Mounting Type - Top Plate. High-Quality Impact-Resistant Polypropylene Wheel Center with High-Quality Reinforced Polypropylene Rubber (TPR) Wheel Tread. Dark gray, Bearing – Ball Bearings.
1129 Medical Caster Series
Resolute Wheel Diameter × Wheel Width 75 x 31mm
TW-4112903002007
75 mm 90 Kgs 114 mm
Swivel Caster with Riveted Fork and Stamping Fork—75 x 45 mm (3" x 1-3/4") Bolt Hole Spacing
Zine-Plated, Mounting Type - Top Plate
High-Quality Impact-Resistant Polypropylene core with High-Quality Reinforced Polypropylene Rubber (TPR) Wheel Tread
Dark gray, Bearing—Ball Bearings.