Product Data Sheet
1129 Medical Caster Series
  PPR Wheel Diameter × Wheel Width 100 x 31mm
  EAN
  TW-4112904002015    
         
Swivel Caster with Riveted Stamping Fork - 3/8-16 threads
Zine-Plated, Mounting Type - Threaded Stem
High-Quality Impact-Resistant Polypropylene core, High-Quality Reinforced Polypropylene Rubber (TPR) Wheel Tread
Dark gray, wheel - Plain Bearing
  Wheel tread: Thermoplastic rubber elastomer (TPR)
  Wheel Center: Made of high-quality impact-resistant polypropylene

    Drawings are for reference only and may differ from the product



     
      Metric Imperial
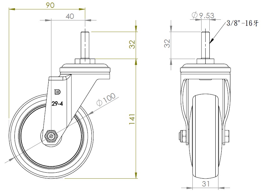
  Wheel Diameter 100mm 

  Wheel Width 31mm 
  Wheel Bearing Wheel With Plain Bearing
  Threaded Stem 3/8"-16牙
  Threaded Length 32mm
  Offset 40mm 
  Swivel Interference 180mm 
  Overall Height 141mm 
  Swivel Radius 90mm 
  Hardness Of Tread 82±5° Shore A 
  Load Capacity (Dynamic) 80kgs 


  Rolling Resistance
        ● ● ● ● ○

  Operating Noise        ● ● ● ● ○

  Floor Surface Preservation  ● ● ● ● ●

  Load Capacity (Static) 120kgs 
  Temperature -20°C to +60°C 
  Fork Type Swivel Caster 
  Stainless N/A
  Electrical Conductivity N/A 
  Anti-Static N/A 
  Weight 0.55kgs 
  Standard ISO22883
  
  
  © Copyright 2026 DershengInternational www.dersheng.com
Related  Products  
1129 Medical Caster Series
PPR Wheel Diameter × Wheel Width 100 x 31mm
TW-4112904004029
100 mm 80 Kgs 141 mm
Casters with Side Brakes and With locking system. Threaded Stem Riveted Pressed Fork with 3/8-16 threads.
Zine-Plated, Mounting Type - Threaded Stem.
High-Quality Impact-Resistant Polypropylene Wheel Center with High-Quality Reinforced Polypropylene Rubber (TPR) Wheel Tread.
Dark gray, Plain Bearing.