Product Data Sheet
1129 Medical Caster Series
  PPR Wheel Diameter × Wheel Width 125 x 31mm
  EAN
  TW-4112905004007    
         
Casters with Side Brakes and With locking system. Base plate with Riveted Fork and 75 x 45 mm (3" x 1-3/4") Bolt Hole Spacing. Zine-Plated, Mounting Type - Top Plate. High-Quality Impact-Resistant Polypropylene Wheel Center with High-Quality Reinforced Polypropylene Rubber (TPR) Wheel Tread. Dark gray, Bearing with Ball Bearings.
  Wheel tread: Thermoplastic rubber elastomer (TPR)
  Wheel Center: Made of high-quality impact-resistant polypropylene

    Drawings are for reference only and may differ from the product



     
      Metric Imperial
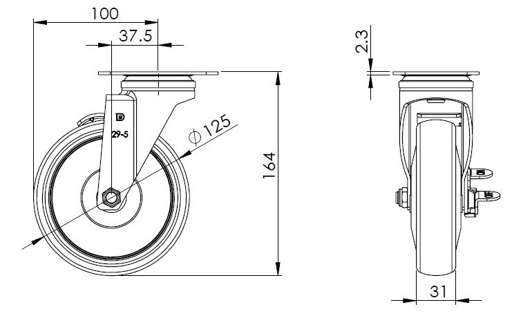
  Wheel Diameter 125mm 

  Wheel Width 31mm 
  Wheel Bearing Wheels With Ball Bearings
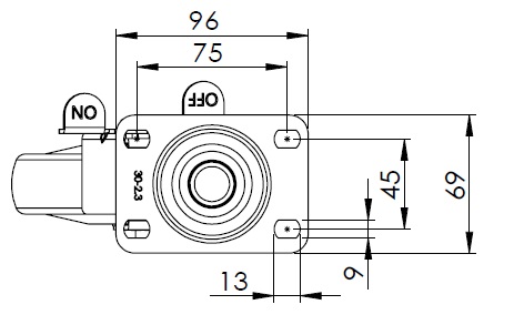
  Plate Size 96 x 69mm 
  Bolt Hole Spacing 75 x 45mm 
  Plate Hole 13 x 9mm 
  Offset 37.5mm 
  Swivel Interference 200mm 
  Overall Height 164mm 
  Swivel Radius 100mm 
  Hardness Of Tread 82±5° Shore A 
  Load Capacity (Dynamic) 100kgs 


  Rolling Resistance
        ● ● ● ● ○

  Operating Noise        ● ● ● ● ○

  Floor Surface Preservation  ● ● ● ● ●

  Load Capacity (Static) 150kgs 
  Temperature -20°C to +60°C 
  Fork Type Swivel Caster With Side Brake
  Stainless N/A
  Electrical Conductivity N/A 
  Anti-Static N/A 
  Weight 0.85kgs 
  Standard ISO22883
  
  
  © Copyright 2026 DershengInternational www.dersheng.com
Related  Products  
1129 Medical Caster Series
PPR Wheel Diameter × Wheel Width 125 x 31mm
TW-4112905002004
125 mm 100 Kgs 164 mm
Swivel Caster with Riveted Fork and Stamping Fork – 75 x 45 mm (3" x 1-3/4") Bolt Hole Spacing Zine-Plated, Mounting Type - Top Plate High-Quality Impact-Resistant Polypropylene core, High-Quality Reinforced Polypropylene Rubber (TPR) Wheel Tread Dark gray, Bearing – Ball Bearings
1129 Medical Caster Series
PPR Wheel Diameter × Wheel Width 125 x 31mm
TW-4112905002005
125 mm 100 Kgs 164 mm
Swivel Caster with Riveted Fork and Stamping Fork – 75 x 45 mm (3" x 1-3/4") Bolt Hole Spacing Zine-Plated, Top Plate (3T) Mounting Type system High-Quality Impact-Resistant Polypropylene core, High-Quality Reinforced Polypropylene Rubber (TPR) Wheel Tread Dark gray, Bearing – Ball Bearings.
1129 Medical Caster Series
PPR Wheel Diameter × Wheel Width 125 x 31mm
TW-4112905004008
125 mm 100 Kgs 164 mm
Casters with a Total Brake and With locking system. Top Plate Riveted and Stamping with 75 x 45 mm (3" x 1-3/4") Bolt Hole Spacing. Zine-Plated, Mounting Type - Top Plate. High-Quality Impact-Resistant Polypropylene Wheel Center with High-Quality Reinforced Polypropylene Rubber (TPR) Wheel Tread. Dark gray, Bearing with Ball Bearings.
1129 Medical Caster Series
PPR Wheel Diameter × Wheel Width 125 x 31mm
TW-4112905004009
125 mm 100 Kgs 164 mm
Casters with Side Brakes and With locking system. Top Plate Riveted and Stamping with step-through holes. Zine-Plated, Top Plate (3T) Mounting Type. High-Quality Impact-Resistant Polypropylene Wheel Center, High-Quality Reinforced Polypropylene Rubber (TPR) Wheel Tread. Dark gray, Bearing—Ball Bearings.
1129 Medical Caster Series
PPR Wheel Diameter × Wheel Width 125 x 31mm
TW-4112905004010
125 mm 100 Kgs 164 mm
Casters with a Total Brake and With locking system. Top Plate with Riveted, Fork and 75 x 45 mm (3" x 1-3/4") Bolt Hole Spacing. Zine-Plated, Top Plate (3T) Mounting Type system. High-Quality Impact-Resistant Polypropylene Wheel Center with High-Quality Reinforced Polypropylene Rubber (TPR) Wheel Tread. Dark gray, Bearing with Ball Bearings.