Product Data Sheet
1129 Medical Caster Series
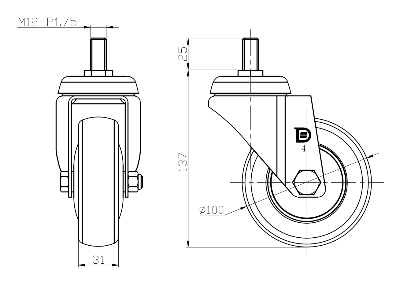
  PPR (Pearlescent dark gray) Wheel Diameter × Wheel Width 100 x 31mm
  EAN
         
  YJ-11290400265106    
Rigid castor, thread Riveted Stamping Fork - M12-P1.75 Chrome plated, Mounting Type - Threaded Stem Impact resistant High-quality Impact Resistance Polypropylene Wheel Center,High-Quality Thermoplastic Rubber (TPR) Wheel Tread Pearlescent dark grey, Bearing - Ball Bearing.
  Wheel tread: Thermoplastic rubber elastomer (TPR)
  Wheel Center: Made of high-quality impact-resistant polypropylene

    Drawings are for reference only and may differ from the product



     
      Metric Imperial
  Wheel Diameter 100mm 

  Wheel Width 31mm 
  Wheel Bearing Wheels With Ball Bearings
  Threaded Stem M12-P1.75
  Threaded Length 25mm
  Overall Height 137mm 
  Hardness Of Tread 82±5° Shore A 
  Load Capacity (Dynamic) 100kgs 


  Rolling Resistance
        ● ● ● ● ○

  Operating Noise        ● ● ● ● ○

  Floor Surface Preservation  ● ● ● ● ●

  Load Capacity (Static) 150kgs 
  Temperature -20°C to +60°C 
  Fork Type Rigid Caster 
  Stainless N/A
  Electrical Conductivity N/A 
  Anti-Static N/A 
  Weight 0.68kgs 
  Standard ISO22883
  
  
  © Copyright 2026 DershengInternational www.dersheng.com
Related  Products  
1129 Medical Caster Series
PPR (Pearlescent dark gray) Wheel Diameter × Wheel Width 100 x 31mm
YJ-11290400265433
100 mm 100 Kgs 137 mm
Swivel Caster, thread-Riveted Stamping Fork—M12-P1.75 Extended control lever surface, Mounting Type - Threaded Stem device + thread protection sleeve High-quality Impact Resistance Polypropylene Wheel Center,High-Quality Thermoplastic Rubber (TPR) Wheel Tread Pearl-colored dark gray, Bearing—Ball Bearing.