產品數據表
1129 醫療系列
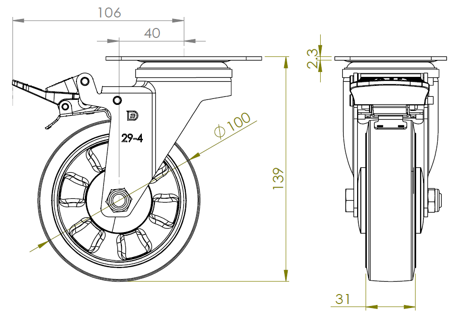
  W全效輪 輪徑 × 輪寬 100 x 31mm
  EAN
  TW-4112904004020    
  YJ-X11290400454013    
配有雙煞式,鎖定系統的腳輪。底板鉚合沖壓腳架—高級孔 表面鍍鋅,底板式安裝裝置 加強式耐衝擊聚丙烯輪芯,熱塑性彈性體(TPR)輪面 深灰色,輪子軸承—精密滾珠。
  輪面:熱塑性橡膠彈性體(TPR)
  輪芯:優質耐衝擊聚丙烯

    產品說明僅供參考一切以實體產品為主



     
      公制 英制
  輪徑 100mm 

  輪寬 31mm 
  輪子軸承 搭配滾珠軸承的輪子 
  底板規格 96 x 69mm 
  底板孔距 75 x 45mm  高級孔
  底板孔徑 13 x 9mm 
  偏心距 40mm 
  旋轉干涉 212mm 
  總高 139mm 
  旋轉半徑 106mm 
  硬度 72±5° Shore A 
  荷重(動態) 125kgs 


  滾動順暢
      ● ● ● ● ●

  靜音表現      ● ● ● ● ●

  保護地板      ● ● ● ● ●

  荷重(靜態) 187.5kgs 
  溫度 -20°C to +60°C 
  腳架樣式 雙煞 
  不銹鋼
  導電 否 
  抗靜電 否 
  腳輪重量 0.70kgs 
  測試標準 ISO22883
  
  
  © 版權所有 2026 得貹上好輪 www.dersheng.com
關  聯  產  品
1129 醫療系列
W全效輪 輪徑 × 輪寬 100 x 31mm
TW-4112904004019
100 mm 125 Kgs 139 mm
配有側(輪)煞式,鎖定係統的腳輪。底板鉚合沖壓腳架—高級 孔
表面鍍鋅,底板式安裝裝置
加強式耐衝擊聚丙烯輪芯,熱塑性彈性體(TPR)輪面
深灰色,輪子軸承—精密滾珠。
1129 醫療系列
W全效輪 輪徑 × 輪寬 100 x 31mm
TW-4112904004021
100 mm 125 Kgs 139 mm
配有側(輪)煞式,鎖定系統的腳輪。
底板鉚合沖壓腳架—高級孔
表面鍍鋅,底板式(3T)安裝裝置
加強式耐衝擊聚丙烯輪芯,熱塑性彈性體(TPR)輪面
深灰色,輪子軸承—精密滾珠。
1129 醫療系列
W全效輪 輪徑 × 輪寬 100 x 31mm
TW-4112904004022
100 mm 125 Kgs 139 mm
配有雙煞式,鎖定系統的腳輪。底板鉚合沖壓腳架—高級 孔 表面鍍鋅,底板式(3T)安裝裝置 加強式耐衝擊聚丙烯輪芯,熱塑性彈性體(TPR)輪面 深灰色,輪子軸承—精密滾珠。
1129 醫療系列
W全效輪 輪徑 × 輪寬 100 x 31mm
TW-4112904002010
YJ-X11290400452013
100 mm 125 Kgs 139 mm
活動式腳輪,底板鉚合沖壓腳架—高級孔 表面鍍鋅,底板式安裝裝置 加強式耐衝擊聚丙烯輪芯,熱塑性彈性體(TPR)輪面 深灰色,輪子軸承—精密滾珠。
1129 醫療系列
W全效輪 輪徑 × 輪寬 100 x 31mm
TW-4112904002011
100 mm 125 Kgs 139 mm
活動式腳輪,底板鉚合沖壓腳架—高級孔 表面鍍鋅,底板式(3T)安裝裝置 加強式耐衝擊聚丙烯輪芯,熱塑性彈性體(TPR)輪面 深灰色,輪子軸承—精密滾珠。