產品數據表
1129 醫療系列
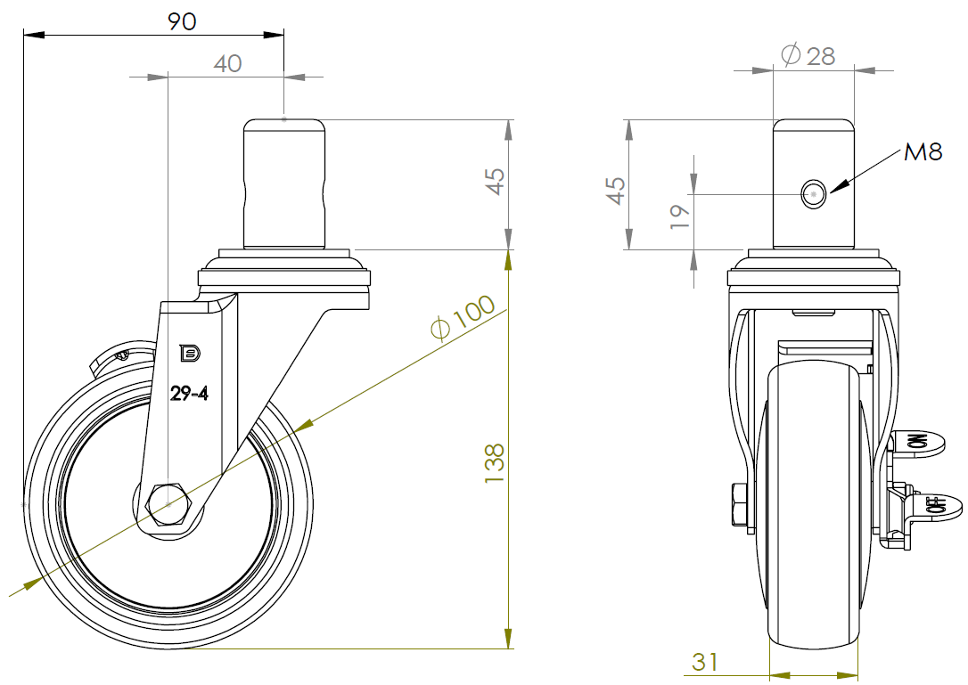
  經典PPR輪 輪徑 × 輪寬 100 x 31mm
  EAN
  TW-4112904004075    
         
配有側(輪)煞式,鎖定系統的腳輪。插心鉚合沖壓腳架— Ø28x45L 表面鍍鋅,插心式安裝裝置 耐衝擊聚丙烯輪芯,熱塑性彈性體(TPR)輪面 深灰色,輪子軸承—精密滾珠。
  輪面:熱塑性橡膠彈性體(TPR)
  輪芯:優質耐衝擊聚丙烯

    產品說明僅供參考一切以實體產品為主



     
      公制 英制
  輪徑 100mm 

  輪寬 31mm 
  輪子軸承 搭配滾珠軸承的輪子 
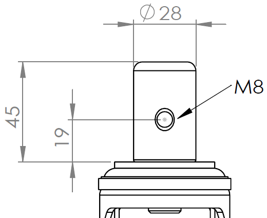
  插桿直徑 28mm 
  插桿長度 45mm 
  偏心距 40mm 
  旋轉干涉 180mm 
  總高 138mm 
  旋轉半徑 90mm 
  硬度 82±5° Shore A 
  荷重(動態) 80kgs 


  滾動順暢
      ● ● ● ● ○

  靜音表現      ● ● ● ● ○

  保護地板      ● ● ● ● ●

  荷重(靜態) 120kgs 
  溫度 -20°C to +60°C 
  腳架樣式 側煞(單)
  不銹鋼
  導電 否 
  抗靜電 否 
  腳輪重量 0.85kgs 
  測試標準 ISO22883
  
  
  © 版權所有 2026 得貹上好輪 www.dersheng.com
關  聯  產  品
1129 醫療系列
經典PPR輪 輪徑 × 輪寬 100 x 31mm
TW-4112904004076
100 mm 80 Kgs 138 mm
配有雙煞式,鎖定系統的腳輪。插心鉚合沖壓腳架— Ø28x45L 表面鍍鋅,插心式安裝裝置 耐衝擊聚丙烯輪芯,熱塑性彈性體(TPR)輪面 深灰色,輪子軸承—精密滾珠。
1129 醫療系列
經典PPR輪 輪徑 × 輪寬 100 x 31mm
TW-4112904002038
100 mm 80 Kgs 138 mm
活動式腳輪,插心鉚合沖壓腳架—Ø28x45L 表面鍍鋅,插心式安裝裝置,M8孔 耐衝擊聚丙烯輪芯,熱塑性彈性體(TPR)輪面 深灰色,輪子軸承—精密滾珠。