|
|
Product Data Sheet |
|
|
|
||
| 1130 Medium Duty General Purposes Caster Series |
|
|
||||
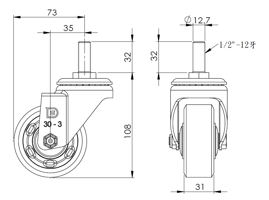
| W Resolute Wheel Diameter × Wheel Width 75 x 31mm |
|
|
||||
| EAN |
|
|||||
|
TW-4113003002018
|
|
|||||
|
|
|
|||||
|
Swivel Caster, Riveted Stamping Fork - 1/2-12 threads
Zine-Plated, Mounting Type - Threaded Stem Reinforced impact-resistant polypropylene core, High-Quality Reinforced Polypropylene Rubber (TPR) Wheel Tread Dark gray, Bearing - Ball Bearing |
|
|||||
|
|
|
|||||
| Wheel tread: Thermoplastic rubber elastomer (TPR) Wheel Center: Made of high-quality impact-resistant polypropylene Drawings are for reference only and may differ from the product |
|
|||||
|
|
|
|||||
Metric Imperial
Wheel Diameter
75mm
Wheel Width
31mm
|
|
|
||||
|
Wheel Bearing
Wheels With Ball Bearings
Threaded Stem
1/2"-12牙
Threaded Length
32mm
Offset
35mm
Swivel Interference
146mm
Overall Height
108mm
Swivel Radius
73mm
Hardness Of Tread
72±5° Shore A
Load Capacity (Dynamic)
90kgs
|
Rolling Resistance ● ● ● ● ● Operating Noise ● ● ● ● ● Floor Surface Preservation ● ● ● ● ● |
|||||
|
Load Capacity (Static)
135kgs
Temperature
-20°C to +60°C
Fork Type
Swivel Caster
|
|
|||||
|
Stainless
N/A
Electrical Conductivity
N/A
Anti-Static
N/A
Weight
0.50kgs
Standard
ISO22883
|
|
|
||||
|
|
|||||
|
|
|||||
|
|
|||||
|
|
|||||
| © Copyright 2026 DershengInternational www.dersheng.com | ||||||