|
|
产品资料表 |
|
|
|
||
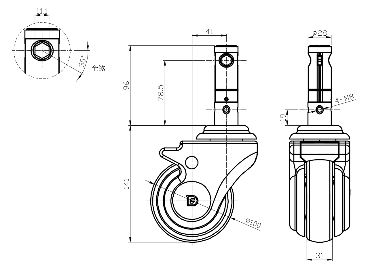
| 1138 38中控系列 |
|
|
||||
| 全效轮(珠光深灰色) 轮径 × 轮宽 100 x 31mm |
|
|
||||
| EAN |
|
|||||
|
YJ-11380400458020 |
|
|||||
|
|
|
|||||
| 长控杆六角孔凸轮控制的中心锁定,全煞脚轮。中空铆钉铆合
冲压脚架
表面镀锌,中空式安装装置 耐冲击聚丙烯轮芯,热塑性弹性体(TPR)轮面 珠光深灰色,轮子轴承 — 精密滚珠。 |
|
|||||
|
|
|
|||||
| 轮面:热塑性橡胶弹性体(TPR) 轮芯:採用优质耐冲击聚丙烯 产品说明仅供参考一切以实体产品为主 |
|
|||||
|
|
|
|||||
公制 英制
轮径
100mm
轮宽
31mm
|
|
|
||||
|
轮子轴承
搭配滚珠轴承的轮子
插杆直径
28mm
插杆长度
96mm
偏心距
41mm
旋转干涉
188mm
总高
141mm
旋转半径
94mm
硬度
82±5° Shore A
荷重(动态)
70kgs
|
滚动顺畅 ● ● ● ● ○ 静音表现 ● ● ● ● ○ 保护地板 ● ● ● ● ● |
|||||
|
荷重(静态)
105kgs
温度
-20°C to +60°C
脚架样式
双煞
|
|
|||||
|
不锈钢
否
导电
否
抗静电
否
脚轮重量
0.98kgs
测试标准
ISO22881
|
|
|
||||
|
|
|||||
|
|
|||||
|
|
|||||
|
|
|||||
| © 版权所有 2026 得貹上好轮 www.dersheng.com | ||||||