产品资料表
1139 39系列美规脚架系列
   PPR导电轮(黑灰) 轮径 × 轮宽 75 x 31mm
  EAN
         
  YJ-11390300171013    
固定式脚轮,一体成型冲压脚架—高级孔
表面镀锌,底板式安装装置
耐冲击聚丙烯轮芯,热塑性弹性体(TPR)轮面
黑灰色,轮子轴承 — 精密滚珠。
  轮面:热塑性橡胶弹性体(TPR)
  轮芯:採用优质耐冲击聚丙烯

    产品说明仅供参考一切以实体产品为主



     
      公制 英制
  轮径 75mm 

  轮宽 31mm 
  轮子轴承 搭配滚珠轴承的轮子 
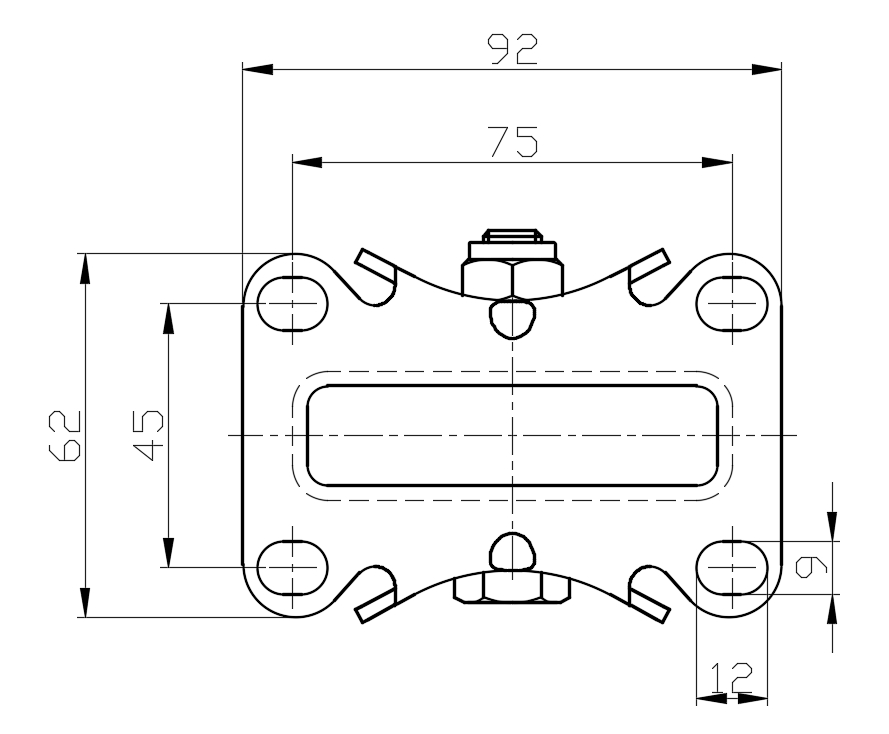
  底板规格 92 x 62mm 
  底板孔距 75 x 45mm   
  底板孔径 12 x 9mm 
  总高 105.5mm 
  硬度 82±5° Shore A 
  荷重(动态) 90kgs 


  滚动顺畅
      ● ● ● ● ○

  静音表现      ● ● ● ● ○

  保护地板      ● ● ● ● ●

  荷重(静态) 135kgs 
  温度 -20°C to +60°C 
  脚架样式 固定 
  不锈钢
  导电 是 导电值10^3~10^4
  抗静电 否 
  脚轮重量 0.41kgs 
  测试标准 ISO22883
  
  
  © 版权所有 2025 得貹上好轮 www.dersheng.com
关  联  产  品
1139 39系列美规脚架系列
PPR导电轮(黑灰) 轮径 × 轮宽 75 x 31mm
YJ-11390300172013
75 mm 135 Kgs 105.5 mm
活动式脚轮,底板铆合冲压脚架—高级孔
表面镀锌,底板式(4T)安装装置
耐冲击聚丙烯轮芯,热塑性弹性体(TPR)轮面
黑灰色,轮子轴承 — 精密滚珠。
1139 39系列美规脚架系列
PPR导电轮(黑灰) 轮径 × 轮宽 75 x 31mm
YJ-11390300174013
00 mm 90 Kgs 105 mm
配有双煞式,锁定系统的脚轮。底板铆合冲压脚架—高级 孔
表面镀锌,底板式(4T)安装装置
耐冲击聚丙烯轮芯,热塑性弹性体(TPR)轮面
黑灰色,轮子轴承 — 精密滚珠。