Product Data Sheet
1139 Medium Duty General Purposes Caster Series
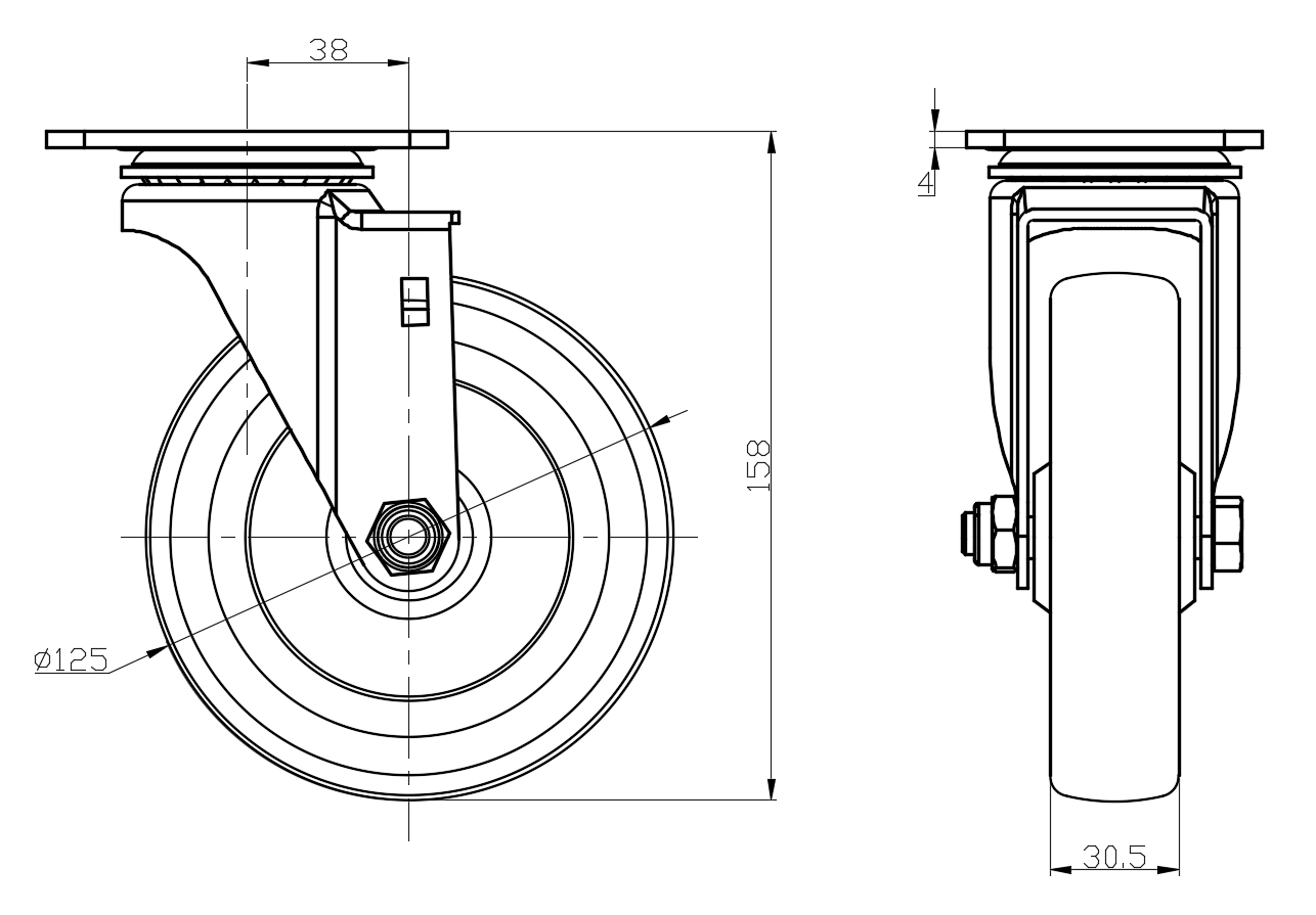
  Rubber Wheel Diameter × Wheel Width 125 x 30.5mm
  EAN
         
  YJ-11390500062013    
Swivel Caster, Top Plate Riveted and Stamping with 75 x 45 mm (3" x 1-3/4") Bolt Hole Spacing
Zine-Plated, Top Plate (4T) Mounting Type
Reinforced Polypropylene core, High-Quality Resilient Rubber Wheel Tread
Bearing - Plain Bearing
  Wheel surface: high-quality elastic rubber
  Wheel Center: Thermoplastic (PA6)

    Drawings are for reference only and may differ from the product



     
      Metric Imperial
  Wheel Diameter 125mm 

  Wheel Width 30.5mm 
  Wheel Bearing Wheel With Plain Bearing
  Plate Size 95 x 65mm 
  Bolt Hole Spacing 75 x 45mm 
  Plate Hole 12 x 9mm 
  Offset 38mm 
  Swivel Interference 202mm 
  Overall Height 158mm 
  Swivel Radius 101mm 
  Hardness Of Tread 80±5° Shore A 
  Load Capacity (Dynamic) 90kgs 


  Rolling Resistance
        ● ● ● ○ ○

  Operating Noise        ● ● ● ● ○

  Floor Surface Preservation  ● ● ● ● ○

  Load Capacity (Static) 135kgs 
  Temperature -20°C to +120°C 
  Fork Type Swivel Caster 
  Stainless N/A
  Electrical Conductivity N/A 
  Anti-Static N/A 
  Weight 1.14kgs 
  Standard ISO22883
  
  
  © Copyright 2026 DershengInternational www.dersheng.com
Related  Products  
1139 Medium Duty General Purposes Caster Series
Rubber Wheel Diameter × Wheel Width 125 x 30.5mm
YJ-11390500064013
125 mm 90 Kgs 158 mm
Casters with Side Brakes and With locking system. Top Plate with Riveted, Stamping Fork and 75 x 45 mm (3" x 1-3/4") Bolt Hole Spacing.
Zine-Plated, Top Plate (4T) Mounting Type system.
Reinforced Polypropylene Wheel Center with High-Quality Resilient Rubber Wheel Tread.
Bearing - Plain Bearing