| 
				 | 
						  			  			Product Data Sheet | 
			  
				 |  
			
				
				 
			 | 
			
				 | 
		||
| 1139 Medium Duty General Purposes Caster Series | 
				 
			 | 
			
				 | 
		||||
| Resolute (Pearlescent dark gray) Wheel Diameter x Wheel Width 100 x 31mm | 
				
				
			     
			     | 
			
				 | 
		||||
| EAN | 
				 | 
		|||||
| 
			     
			    YJ-11390400454043  | 
		
			
				 | 
		|||||
| 
				 | 
			
				 | 
		|||||
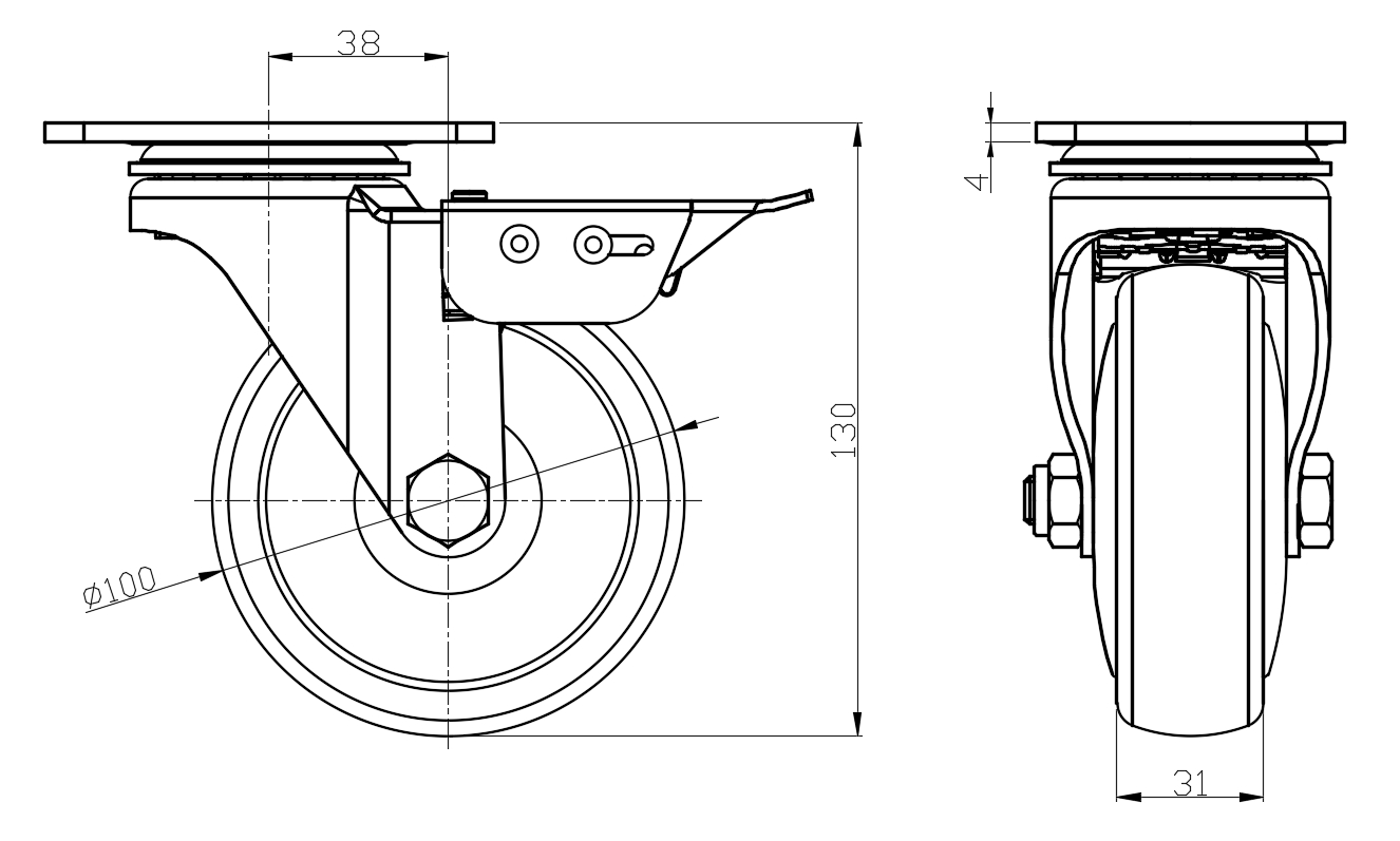
| Castors with Total Brake locking system. Top Plate Riveted Fork - 75 x 45 mm (3" x 1-3/4") Bolt Hole Spacing Surface Zine-Plated, Top Plate (4T) Mounting Type Impact resistant High-quality Impact Resistance Polypropylene Wheel Center,High-Quality Thermoplastic Rubber (TPR) Wheel Tread Pearl grey, Bearing - Ball Bearing. | 
				 | 
		|||||
| 
				 | 
			
				 | 
		|||||
|   Wheel tread: Thermoplastic rubber elastomer (TPR)				 Wheel Center: Made of high-quality impact-resistant polypropylene Drawings are for reference only and may differ from the product  | 
									
				 | 
		|||||
| 
				
														 | 
			
				 | 
		|||||
			
													 
            						
				
				
				
					                																
												
																				                				
				
																												
																																								
																												
																												
																																
												
																												
																												
																																
																												
				
												
																												
																												
																																																								
																																																				
																																																																												
				
																				
																				
																				
																Metric Imperial 
				  Wheel Diameter
			
								
												
                 				
			
											    100mm 
				
												
				 
								
				
				
				  Wheel Width
				
								
								
															    31mm 
												 
								
				
			 | 
            
					
				
				
														 
            						
			 | 			
	   			
				 | 
		||||
| 
			
																												
																												
																																																				
								 
				  Wheel Bearing
								
								
															    Wheels With Ball Bearings
												 
								
				
								
				  Plate Size
								                
												
               																											    95 x 65mm  
																
				 
												
					  Bolt Hole Spacing
										
															
													
				
																	
																
				
				
												75 x 45mm 
												
								 
			    								
					  Plate Hole
																									
									   				   					12 x 9mm 
				   				   				    
				    				 
				
								
					  Offset
																									
																	38mm 
												 
												
					  Swivel Interference
																									
																	230mm 
												 
												
					  Overall Height
																									
					                                  				130mm 
				                				
				 
												
					  Swivel Radius
																																								115mm 
															 
												
					  Hardness Of Tread
																																								72±5° Shore A 
															 
												
					  Load Capacity (Dynamic)
																																								125kgs 
															 
				
			 | 
			
			
			
				
																																																																																																								
							   			   Rolling Resistance ● ● ● ● ● Operating Noise ● ● ● ● ● Floor Surface Preservation ● ● ● ● ●  | 			   			
			|||||
| 
								 
					  Load Capacity (Static)
																									
										 					 					187.5kgs 
				     					 					 
					  
								
								
					  Temperature
																																								-20°C to +60°C 
				    									 
					
								
     	
	 	
     								
																																	      			 
								
					  Fork Type
																																						Swivel Caster With Total Brake 
												 
				
			 | 
				
				
														 
            						
			 | 
			|||||
| 
				
				
																				
									
													
				                					
					
                					
								
				 
					  Stainless
																									
				    				    				    					N/A
				    				    					 
					
                 																																
									
													
													
													
								
                					
													
													
													
								
					  Electrical Conductivity
																									
																				N/A 
				    										 
					
					
					
				  Anti-Static	
																			N/A 
				    										 
								   
					  Weight
																																								0.91kgs 
															
					 
												    
					  Standard
																																						ISO22883
												  | 
							
			
			     
				
				 
				 | 
			
				 | 
		||||
				
																						
																					
							 
				
            																		
             													
            				
			
			 | 
		
			
				 | 
		|||||
			
				
				
							
								 				 | 
			
				 | 
			
		|||||
				
								
			
																							
																									  
           																																			   
				  
		   
			 | 
			
				 | 
			
		|||||
 				
			                    
								
			
					
																																											 
            																																			
			
								   
		   			
			 | 
			
				 | 
		|||||
| © Copyright 2025 DershengInternational www.dersheng.com | ||||||
			
			
			
						100 mm					
					
						
						125 Kgs					
					
						
						130 mm					
				
			
			
			
						100 mm					
					
						
						125 Kgs					
					
						
						130 mm					
				
			
			
			
						100 mm					
					
						
						125 Kgs					
					
						
						130 mm