Product Data Sheet
1139 Medium Duty General Purposes Caster Series
  PPR (Grey red) Wheel Diameter × Wheel Width 75 x 31mm
  EAN
         
  YJ-11390300261043    
Rigid castor, Stamping Fabricated Caster Fork - 75 x 45 mm (3" x 1-3/4") Bolt Hole Spacing Surface Zine-Plated, Mounting Type - Top Plate High-quality Impact Resistance Polypropylene Wheel Center,High-Quality Thermoplastic Rubber (TPR) Wheel Tread Gray-red, Bearing - Ball Bearing.
  Wheel tread: Thermoplastic rubber elastomer (TPR)
  Wheel Center: Made of high-quality impact-resistant polypropylene

    Drawings are for reference only and may differ from the product



     
      Metric Imperial
  Wheel Diameter 75mm 
  Wheel Width 31mm 
  Wheel Bearing Wheels With Ball Bearings
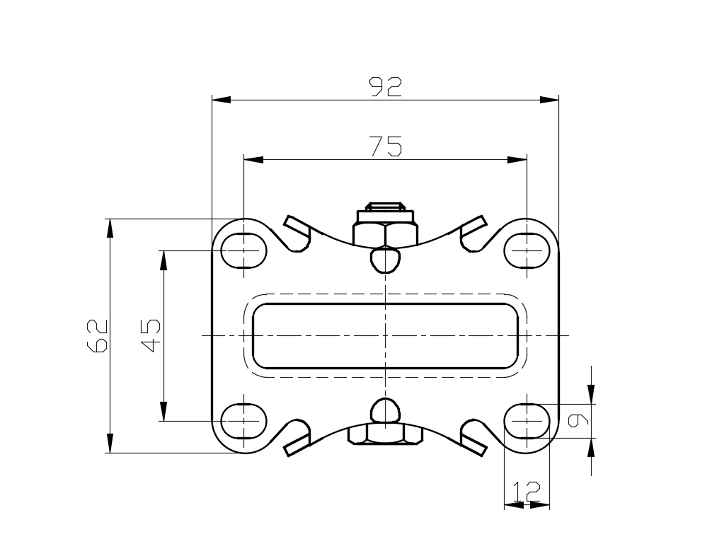
  Plate Size 92 x 62mm 
  Bolt Hole Spacing 75 x 45mm 
  Plate Hole 12 x 9mm 
  Overall Height 105.5mm 
  Hardness Of Tread 82±5° Shore A 
  Load Capacity (Dynamic) 90kgs 


  Rolling Resistance
        ● ● ● ● ○

  Operating Noise        ● ● ● ● ○

  Floor Surface Preservation  ● ● ● ● ●

  Load Capacity (Static) 135kgs 
  Temperature -20°C to +60°C 
  Fork Type Rigid Caster 
  Stainless N/A
  Electrical Conductivity N/A 
  Anti-Static N/A 
  Weight 0.39kgs 
  Standard ISO22883
  
  
  © Copyright 2025 DershengInternational www.dersheng.com


            關  聯  產  品



  1139 Medium Duty General Purposes Caster Series
   PPR Wheel (Gray-Red Arc) Wheel Diameter × Wheel Width 75×31mm

     
   YJ-11390300262033    

         75 mm         90 Kgs         105.5 mm    

Swivel castor, Top Plate Riveted Stamping Fork - high-grade hole Surface Zine-Plated, Top Plate (4T) Mounting Type device High-quality Impact Resistance Polypropylene Wheel Center,High-Quality Thermoplastic Rubber (TPR) Wheel Tread Gray red, Bearing - Ball Bearing.




  1139 Medium Duty General Purposes Caster Series
   PPR Wheel (Gray-Red Arc) Wheel Diameter × Wheel Width 75×31mm

     
   YJ-11390300264073    

         75 mm         90 Kgs         105.5 mm    

Castors with side (wheel) brakes, Locking system. Top Plate Riveted Stamping Fork - 75 x 45 mm (3" x 1-3/4") Bolt Hole Spacing Surface Zine-Plated, Top Plate (4T) Mounting Type High-quality Impact Resistance Polypropylene Wheel Center,High-Quality Thermoplastic Rubber (TPR) Wheel Tread Gray-red, Bearing - Ball Bearing.