Product Data Sheet
1141 Kingpinless Caster Series
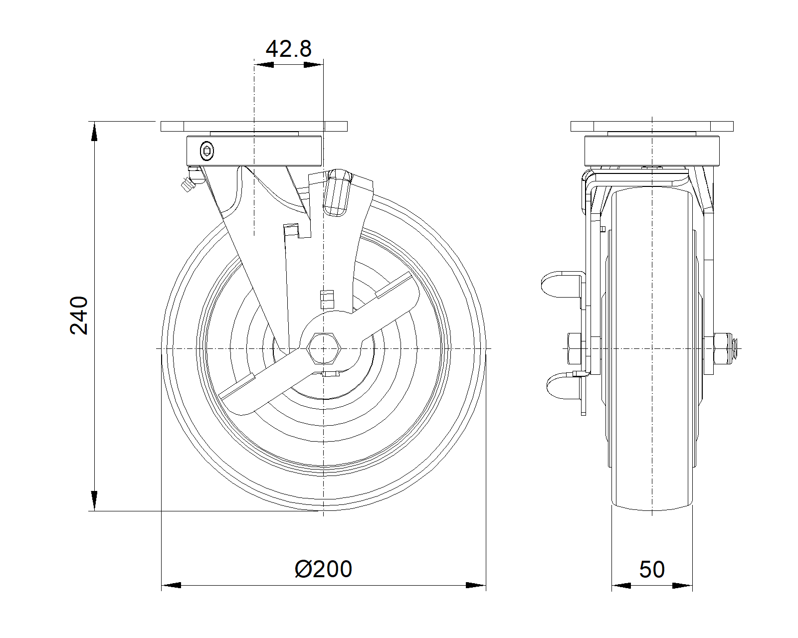
  MRC (Transparent) Wheel Diameter x Wheel Width 200 x 50mm
  EAN
      KS-11410800074013
         
Casters with Side Brakes and Locking system, Welded Caster Fork Zine-Plated, Mounting Type - Top Plate, 85x70 Bolt Hole Spacing Reinforced Polypropylene, Natural Color tread Bearing—Ball Bearing
  Wheel tread: Thermoplastic (PA6)
  Wheel Center: Thermoplastic (PA6)

    Drawings are for reference only and may differ from the product



     
      Metric Imperial
  Wheel Diameter 200mm 

  Wheel Width 50mm 
  Wheel Bearing Wheels With Ball Bearings
  Plate Size 115 x 100mm 
  Bolt Hole Spacing 85 x 70mm 
  Plate Hole 20 x 11mm 
  Offset 42.8mm 
  Swivel Interference 290mm 
  Overall Height 240mm 
  Swivel Radius 145mm 
  Hardness Of Tread 75±5° Shore D 
  Load Capacity (Dynamic) 450kgs 


  Rolling Resistance
        ● ● ● ● ●

  Operating Noise        ● ● ○ ○ ○

  Floor Surface Preservation  ● ● ○ ○ ○

  Load Capacity (Static) 675kgs 
  Temperature -20°C to +80°C 
  Fork Type Swivel Caster With Side Brake
  Stainless N/A
  Electrical Conductivity N/A 
  Anti-Static N/A 
  Weight 3.68kgs 
  Standard ISO22883
  
  
  © Copyright 2026 DershengInternational www.dersheng.com
Related  Products  
1141 Kingpinless Caster Series
MRC Wheel (Transparent) Wheel Diameter × Wheel Width 200 × 50mm
KS-11410800071013
200 mm 450 Kgs 240 mm
Rigid Caster, Welded Caster Fork Extended control lever surface, Top Plate Mounting Type, Hole spacing 85x70 Reinforced Polypropylene, Wheel Tread Natural Color Bearing - Ball Bearing
1141 Kingpinless Caster Series
MRC Wheel (Transparent) Wheel Diameter × Wheel Width 200 × 50mm
KS-11410800071023
200 mm 450 Kgs 240 mm
Rigid Caster, Welded Caster Fork Extended control lever surface, Top Plate Mounting Type, Hole spacing 85x70 Reinforced Polypropylene, Wheel Tread Natural Color Bearing - Ball Bearing, with special Anti-thread wheel cover
1141 Kingpinless Caster Series
MRC Wheel (Transparent) Wheel Diameter × Wheel Width 200 × 50mm
KS-11410800072013
200 mm 450 Kgs 240 mm
Swivel Casters, Welded Caster Fork Surface sprayed with blue paint, Mounting Type - Top Plate, Hole spacing 85x70 Reinforced Polypropylene, Wheel Tread Natural Color Bearing-Ball Bearing
1141 Kingpinless Caster Series
MRC Wheel (Transparent) Wheel Diameter × Wheel Width 200 × 50mm
KS-11410800072023
200 mm 450 Kgs 240 mm
Swivel Casters, Welded Caster Fork Surface sprayed with blue paint, Mounting Type - Top Plate, Hole spacing 85x70 Reinforced Polypropylene, Wheel Tread Natural Color Bearing—Ball Bearing, with special Anti-thread wheel covers
1141 Kingpinless Caster Series
MRC Wheel (Transparent) Wheel Diameter × Wheel Width 200 × 50mm
KS-11410800074113
200 mm 450 Kgs 240 mm
Casters with Front Brake locking system, Welded Caster Fork Zine-Plated, Mounting Type - Top Plate, 85x70 Bolt Hole Spacing Reinforced Polypropylene, natural wheel tread Bearing—Ball Bearing