Product Data Sheet
1142 Kingpinless Caster (B Type) Series
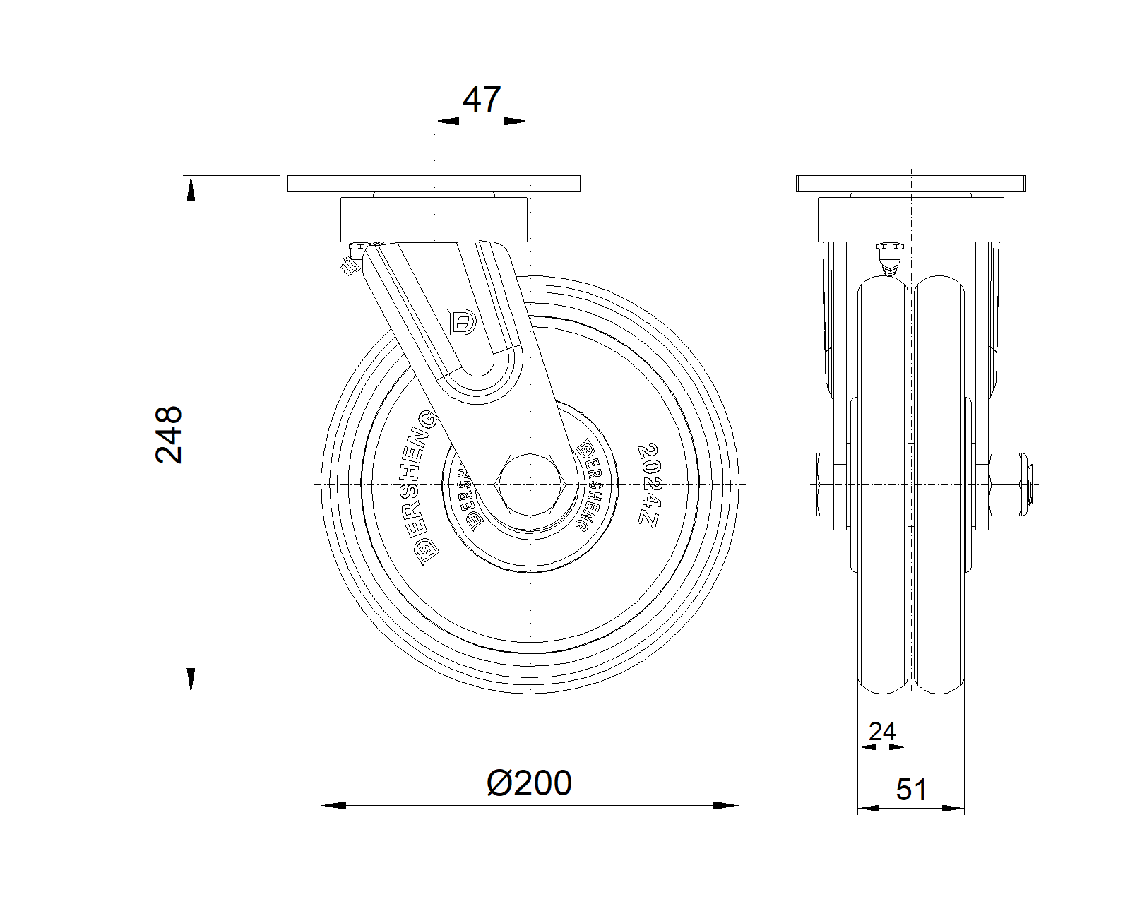
  ZQPU (brown round) Wheel Diameter x Wheel Width 200 x 24 (51) mm
  EAN
      KS-11420800802021
         
Swivel Casters, Welded Caster Fork Surface sprayed with blue paint, Mounting Type - Top Plate, Hole spacing 110x75 Cast Iron Wheel Center, High Quality Polyurethane Wheel Tread, Cast Iron brown Bearing—Ball Bearing, reducing Rolling Resistance ZQPU double wheels, Ergonomic design, easier to start and turn
  Wheel tread: Made of high quality polyurethane
  Wheel Center: iron core/cast iron core

    Drawings are for reference only and may differ from the product



     
      Metric Imperial
  Wheel Diameter 200mm 

  Wheel Width 51mm 
  Wheel Bearing Wheels With Ball Bearings
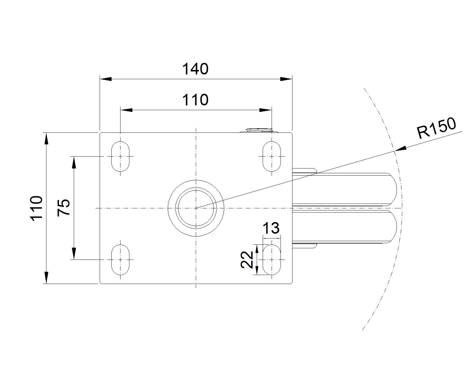
  Plate Size 140 x 110mm 
  Bolt Hole Spacing 110x75mm 
  Plate Hole 22 x 13mm 
  Offset 47mm 
  Swivel Interference 300mm 
  Overall Height 248mm 
  Swivel Radius 150mm 
  Hardness Of Tread 92±5° Shore A 
  Load Capacity (Dynamic) 650kgs 


  Rolling Resistance
        ● ● ● ● ●

  Operating Noise        ● ● ● ● ●

  Floor Surface Preservation  ● ● ● ● ●

  Load Capacity (Static) 975kgs 
  Temperature -20°C to +70°C 
  Fork Type Swivel Caster 
  Stainless N/A
  Electrical Conductivity N/A 
  Anti-Static N/A 
  Weight 7.28kgs 
  Standard ISO22883
  
  
  © Copyright 2026 DershengInternational www.dersheng.com
Related  Products  
1142 Kingpinless Caster (B Type) Series
ZQPU Wheel (Brown Arc) Wheel Diameter × Wheel Width 200 × 24 (51) mm
KS-11420800804071
200 mm 650 Kgs 248 mm
Casters with front brake and With locking system, Welded Caster Fork Blue-painted finish, Mounting Type - Top Plate, 110x75 Bolt Hole Spacing Cast Iron Wheel Center, High Quality Polyurethane Wheel Tread, Cast Iron brown Bearings—special Ball Bearings for reduced Rolling Resistance ZQPU dual wheels, Ergonomic design designally designed for easier starting and turning