Product Data Sheet
1142 Kingpinless Caster (B Type) Series
  VQPU (brown round) Wheel Diameter x Wheel Width 200 x 50mm
  EAN
      KS-11420800542121
         
Swivel Caster, Welded Caster Fork Surface sprayed with blue paint, Mounting Type - Top Plate, Hole spacing 110x75 Cast Iron Wheel Center, High Quality Polyurethane Wheel Tread, Cast Iron brown Bearing—Ball Bearing, with special Anti-thread wheel cover
  Wheel tread: Made of high quality polyurethane
  Wheel Center: iron core/cast iron core

    Drawings are for reference only and may differ from the product



     
      Metric Imperial
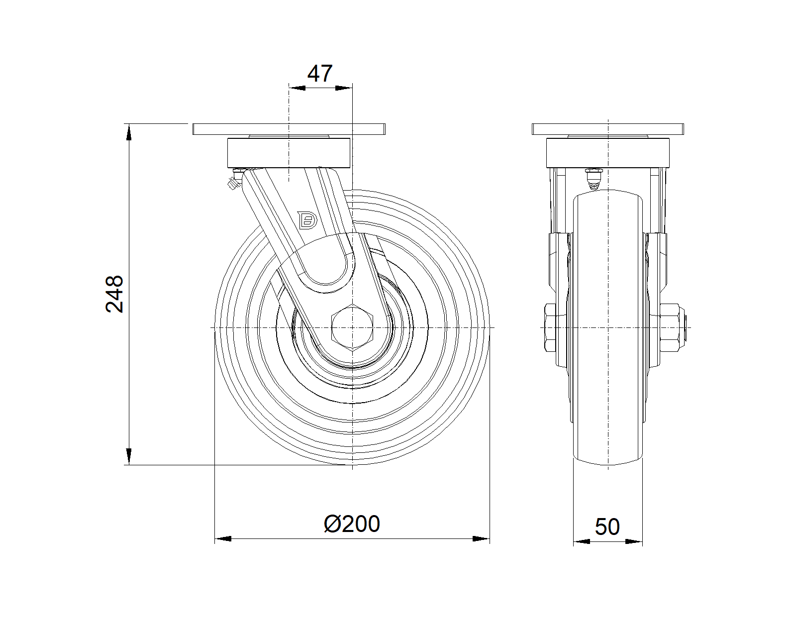
  Wheel Diameter 200mm 

  Wheel Width 50mm 
  Wheel Bearing Wheels With Ball Bearings
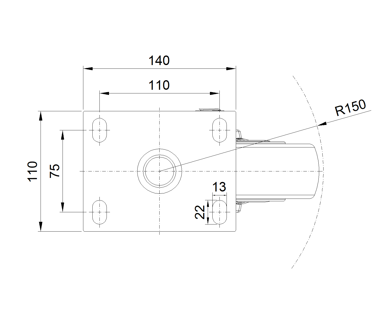
  Plate Size 140 x 110mm 
  Bolt Hole Spacing 110x75mm 
  Plate Hole 22 x 13mm 
  Offset 47mm 
  Swivel Interference 300mm 
  Overall Height 248mm 
  Swivel Radius 150mm 
  Hardness Of Tread 92±5° Shore A 
  Load Capacity (Dynamic) 800kgs 


  Rolling Resistance
        ● ● ● ● ●

  Operating Noise        ● ● ● ● ●

  Floor Surface Preservation  ● ● ● ● ●

  Load Capacity (Static) 1200kgs 
  Temperature -20°C to +70°C 
  Fork Type Swivel Caster 
  Stainless N/A
  Electrical Conductivity N/A 
  Anti-Static N/A 
  Weight 7.39kgs 
  Standard ISO22883
  
  
  © Copyright 2026 DershengInternational www.dersheng.com
Related  Products  
1142 Kingpinless Caster (B Type) Series
VQPU (brown round) Wheel Diameter x Wheel Width 200 x 50mm
KS-11420800544111
200 mm 800 Kgs 248 mm
Casters with front brake and With locking system, Welded Caster Fork Blue-painted finish, Mounting Type - Top Plate, 110x75 Bolt Hole Spacing Cast Iron core, High Quality Polyurethane Wheel Tread Cast Iron brown, Bearing—Ball Bearings
1142 Kingpinless Caster (B Type) Series
VQPU (brown round) Wheel Diameter x Wheel Width 200 x 50mm
KS-11420800544121
200 mm 800 Kgs 248 mm

Casters with front brake and With locking system, Welded Caster Fork
Blue painted finish, Mounting Type - Top Plate, 110x75 Bolt Hole Spacing
Cast Iron Wheel Center, High Quality Polyurethane Wheel Tread, Cast Iron brown
Bearings—Ball Bearings with special Anti-thread wheel cover
1142 Kingpinless Caster (B Type) Series
VQPU (brown round) Wheel Diameter x Wheel Width 200 x 50mm
KS-11420800542111
200 mm 800 Kgs 248 mm
Swivel Caster, Welded Caster Fork Surface sprayed with blue paint, Mounting Type - Top Plate, Hole spacing 110x75 Cast Iron Wheel Center, High Quality Polyurethane Wheel Tread, Cast Iron brown Bearing-Ball Bearing