Product Data Sheet
1146 46 Ascendant Series Caster Series(All Plastic)
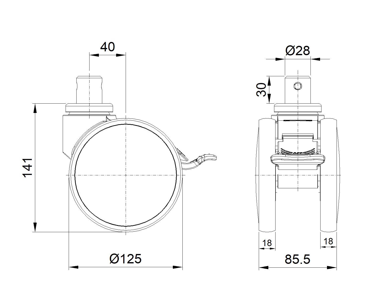
  Resolute Rubber wheel (white dark gray - large cover version) Wheel Diameter x Wheel Width 125 x 18
  EAN
      KS-11460500458713
         
Long Total Brake Casters, ferrule-Riveted Stamping Fork—Ø28x30L
White legs made of polyamide reinforced material
Rust-proof, Corrosion resistant, Attractive appearance, Economical, and allows for Smooth rotation
High-Quality Impact-Resistant Polypropylene Wheel Center, High-Quality Reinforced Polypropylene Rubber (TPR) Wheel Tread
Dark gray, Bearing—Ball Bearings
  Wheel tread: Thermoplastic rubber elastomer (TPR)
  Wheel Center: Made of high-quality impact-resistant polypropylene

    Drawings are for reference only and may differ from the product



     
      Metric Imperial
  Wheel Diameter 125mm 

  Wheel Width 85.5mm 
  Wheel Bearing Wheels With Ball Bearings
  Stem Diameter 28mm 
  Stem Length 30mm 
  Offset 40mm 
  Swivel Interference 282mm 
  Overall Height 141mm 
  Swivel Radius 141mm 
  Hardness Of Tread 72±5° Shore A 
  Load Capacity (Dynamic) 110kgs 


  Rolling Resistance
        ● ● ● ● ●

  Operating Noise        ● ● ● ● ●

  Floor Surface Preservation  ● ● ● ● ●

  Load Capacity (Static) 165kgs 
  Temperature -20°C to +60°C 
  Fork Type Swivel Caster With Total Brake 
  Stainless N/A
  Electrical Conductivity N/A 
  Anti-Static N/A 
  Weight 0.87kgs 
  Standard ISO22881
  
  
  © Copyright 2026 DershengInternational www.dersheng.com
Related  Products  
1146 46 Ascendant Series Caster Series(All Plastic)
Double-Ball Full-Effect Wheel (White-Dark Gray with Large Wheel Cover) Wheel Diameter × Wheel Width 125 × 18mm
KS-11460500457723
125 mm 110 Kgs 141 mm

Actuable Casters, mortise-and-tenon Stamping Fork—Ø28x30L
White legs made of polyamide reinforced material
Rust-proof, Corrosion resistant, Attractive appearance, Economical, and allows for smooth rotation
High-Quality Impact-Resistant Polypropylene Wheel Center, High-Quality Reinforced Polypropylene Rubber (TPR) Wheel Tread
Dark gray, Bearing—Ball Bearings
1146 46 Ascendant Series Caster Series(All Plastic)
Double-Ball Full-Effect Wheel (White-Dark Gray with Large Wheel Cover) Wheel Diameter × Wheel Width 125 × 18mm
KS-11460500458743
125 mm 110 Kgs 141 mm
Long Total Brake Casters, ferrule-Riveted Stamping Fork—Ø28x30L
White legs made of polyamide reinforced material
Rust-proof, Corrosion resistant, Attractive appearance, Economical, and allows for Smooth rotation
High-Quality Impact-Resistant Polypropylene Wheel Center, High-Quality Reinforced Polypropylene Rubber (TPR) Wheel Tread
Dark gray, Bearing—Ball Bearings
1146 46 Ascendant Series Caster Series(All Plastic)
Double-Ball Full-Effect Wheel (White-Dark Gray with Large Wheel Cover) Wheel Diameter × Wheel Width 125 × 18mm
KS-11460500458723
125 mm 110 Kgs 141 mm
Active long directional brake Casters, ferrule-Riveted Stamping Fork—Ø28x30L
White legs made of polyamide reinforced material
Rust-proof, Corrosion resistant, Attractive appearance, Economical, and allows for Smooth rotation
High-Quality Impact-Resistant Polypropylene Wheel Center, High-Quality Reinforced Polypropylene Rubber (TPR) Wheel Tread
Dark gray, Bearing—Ball Bearings