Product Data Sheet
1146 46 Ascendant Series Caster Series(All Plastic)
  Resolute Rubber wheel (window gray dark gray - large cover version) Wheel Diameter x Wheel Width 12
  EAN
      KS-11460500456463
         
Long Total Brake Casters, Threaded Stem M12x25
Window gray Casters made of polyamide reinforced material
Rust-proof, Corrosion resistant, Attractive appearance, Economical, and rotates smoothly
High-Quality Impact-Resistant Polypropylene Wheel Center, High-Quality Reinforced Polypropylene Rubber (TPR) Wheel Tread
Dark gray, Bearing—Ball Bearings
  Wheel tread: Thermoplastic rubber elastomer (TPR)
  Wheel Center: Made of high-quality impact-resistant polypropylene

    Drawings are for reference only and may differ from the product



     
      Metric Imperial
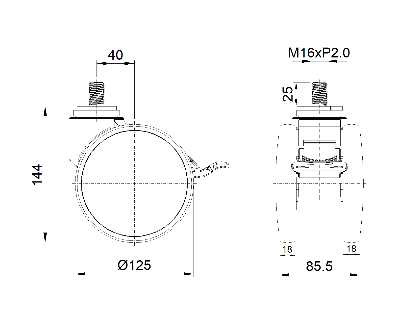
  Wheel Diameter 125mm 

  Wheel Width 85.5mm 
  Wheel Bearing Wheels With Ball Bearings
  Threaded Stem M12
  Threaded Length 25mm
  Offset 40mm 
  Swivel Interference 282mm 
  Overall Height 144mm 
  Swivel Radius 141mm 
  Hardness Of Tread 72±5° Shore A 
  Load Capacity (Dynamic) 110kgs 


  Rolling Resistance
        ● ● ● ● ●

  Operating Noise        ● ● ● ● ●

  Floor Surface Preservation  ● ● ● ● ●

  Load Capacity (Static) 165kgs 
  Temperature -20°C to +60°C 
  Fork Type Swivel Caster With Total Brake 
  Stainless N/A
  Electrical Conductivity N/A 
  Anti-Static N/A 
  Weight 0.74kgs 
  Standard ISO22881
  
  
  © Copyright 2026 DershengInternational www.dersheng.com
Related  Products  
1146 46 Ascendant Series Caster Series(All Plastic)
Double-Ball Full-Effect Wheel (Window Gray-Dark Gray with Large Wheel Cover) Wheel Diameter × Wheel Width 125 × 18mm
KS-11460500455153
125 mm 110 Kgs 144 mm

Actual Casters, Threaded Stem M12x25
Window gray Casters made of polyamide reinforced material
Rust-proof, Corrosion resistant, Attractive appearance, Economical, and allows for smooth rotation
High-Quality Impact-Resistant Polypropylene Wheel Center, High-Quality Reinforced Polypropylene Rubber (TPR) Wheel Tread
Dark gray, Bearing—Ball Bearings
1146 46 Ascendant Series Caster Series(All Plastic)
Double-Ball Full-Effect Wheel (Window Gray-Dark Gray with Large Wheel Cover) Wheel Diameter × Wheel Width 125 × 18mm
KS-11460500455363
125 mm 110 Kgs 144 mm

Actual Casters, Threaded Stem M12x25
Window gray Casters made of polyamide reinforced material
Rust-proof, Corrosion resistant, Attractive appearance, Economical, and allows for smooth rotation
High-Quality Impact-Resistant Polypropylene Wheel Center, High-Quality Reinforced Polypropylene Rubber (TPR) Wheel Tread
Dark gray, Bearing—Ball Bearings
1146 46 Ascendant Series Caster Series(All Plastic)
Double-Ball Full-Effect Wheel (Window Gray-Dark Gray with Large Wheel Cover) Wheel Diameter × Wheel Width 125 × 18mm
KS-11460500456853
125 mm 110 Kgs 144 mm
Long Total Brake Casters, Threaded Stem M12x25
Window gray Casters made of polyamide reinforced material
Rust-proof, Corrosion resistant, Attractive appearance, Economical, and rotates smoothly
High-Quality Impact-Resistant Polypropylene Wheel Center, High-Quality Reinforced Polypropylene Rubber (TPR) Wheel Tread
Dark gray, Bearing—Ball Bearings