Product Data Sheet
1146 46 Ascendant Series Caster Series(All Plastic)
  Resolute Rubber wheel (window gray dark gray - large cover version) Wheel Diameter x Wheel Width 12
  EAN
      KS-11460500454133
         
Long Total Brake Casters, 75x45 angled perforated Top Plate
Window gray Casters made of polyamide reinforced material
Rust-proof, Corrosion resistant, Attractive appearance, Economical, and allows for Smooth rotation
High-Quality Impact-Resistant Polypropylene Wheel Center, High-Quality Reinforced Polypropylene Rubber (TPR) Wheel Tread
Dark gray, Bearing—Ball Bearings
  Wheel tread: Thermoplastic rubber elastomer (TPR)
  Wheel Center: Made of high-quality impact-resistant polypropylene

    Drawings are for reference only and may differ from the product



     
      Metric Imperial
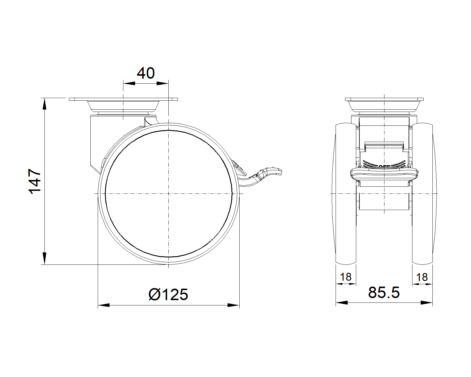
  Wheel Diameter 125mm 

  Wheel Width 85.5mm 
  Wheel Bearing Wheels With Ball Bearings
  Plate Size 96 x 69mm 
  Bolt Hole Spacing 75 x 45mm 
  Plate Hole 11 x 8.6mm 
  Offset 40mm 
  Swivel Interference 282mm 
  Overall Height 147mm 
  Swivel Radius 141mm 
  Hardness Of Tread 72±5° Shore A 
  Load Capacity (Dynamic) 110kgs 


  Rolling Resistance
        ● ● ● ● ●

  Operating Noise        ● ● ● ● ●

  Floor Surface Preservation  ● ● ● ● ●

  Load Capacity (Static) 165kgs 
  Temperature -20°C to +60°C 
  Fork Type Swivel Caster With Total Brake 
  Stainless N/A
  Electrical Conductivity N/A 
  Anti-Static N/A 
  Weight 0.85kgs 
  Standard ISO22881
  
  
  © Copyright 2026 DershengInternational www.dersheng.com
Related  Products  
1146 46 Ascendant Series Caster Series(All Plastic)
Double-Ball Full-Effect Wheel (Window Gray-Dark Gray with Large Wheel Cover) Wheel Diameter × Wheel Width 125 × 18mm
KS-11460500451123
125 mm 110 Kgs 147 mm
Rigid Casters, 75x45 angled hole Top Plate Window gray Casters made of polyamide reinforced material Rust-proof, Corrosion resistant, Attractive appearance, Economical, and Smooth rotation High-Quality Impact-Resistant Polypropylene Wheel Center, High-Quality Reinforced Polypropylene Rubber (TPR) Wheel Tread Dark gray, Bearing - Ball Bearings
1146 46 Ascendant Series Caster Series(All Plastic)
Double-Ball Full-Effect Wheel (Window Gray-Dark Gray with Large Wheel Cover) Wheel Diameter × Wheel Width 125 × 18mm
KS-11460500452123
125 mm 110 Kgs 147 mm

Actuable Casters, 75x45 angled perforated Top Plate
Window gray legs made of polyamide reinforced material
Rust-proof, Corrosion resistant, Attractive appearance, Economical, and allows for smooth rotation
High-Quality Impact-Resistant Polypropylene Wheel Center, High-Quality Reinforced Polypropylene Rubber (TPR) Wheel Tread
Dark gray, Bearing - Ball Bearings