Product Data Sheet
1152 Anti-Friction Caster Series
  ZQPU (brown round) Wheel Diameter x Wheel Width 150 x 24 (51) mm
  EAN
      KS-11520600802021
         
Swivel Casters with Welded Caster Fork and blue paint finish. Mounting Type - Top Plate, 110x75 Bolt Hole Spacing. Cast Iron Wheel Center with High Quality Polyurethane tread, Cast Iron brown. Bearing—special Ball Bearing for reduced Rolling Resistance. ZQPU Dual Wheels, Ergonomic design for easier starting and turning.
  Wheel tread: Made of high-quality polyurethane
  Wheel Center: iron core/cast iron core

    Drawings are for reference only and may differ from the product



     
      Metric Imperial
  Wheel Diameter 150mm 

  Wheel Width 051mm 
  Wheel Bearing Wheels With Ball Bearings
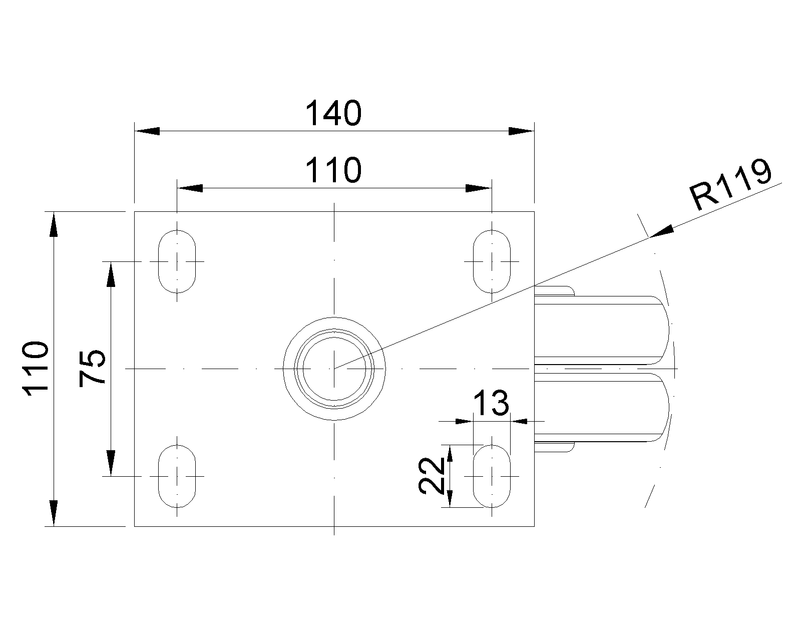
  Plate Size 140 x 110mm 
  Bolt Hole Spacing 110x75mm 
  Plate Hole 22 x 13mm 
  Offset 42mm 
  Swivel Interference 238mm 
  Overall Height 197mm 
  Swivel Radius 119mm 
  Hardness Of Tread 92±5° Shore A 
  Load Capacity (Dynamic) 550kgs 


  Rolling Resistance
        ● ● ● ● ●

  Operating Noise        ● ● ● ● ●

  Floor Surface Preservation  ● ● ● ● ●

  Load Capacity (Static) 825kgs 
  Temperature -20°C to +70°C 
  Fork Type Swivel Caster 
  Stainless N/A
  Electrical Conductivity N/A 
  Anti-Static N/A 
  Weight 5.72kgs 
  Standard ISO22883
  
  
  © Copyright 2026 DershengInternational www.dersheng.com
Related  Products  
1152 Anti-Friction Caster Series
ZQPU (brown round) Wheel Diameter x Wheel Width 150 x 24 (51) mm
KS-11520600804071
150 mm 550 Kgs 197 mm
Front Brake Locking system, Welded Caster Fork, blue-painted finish Mounting Type - Top Plate, 110x75 Bolt Hole Spacing Cast Iron Wheel Center, High Quality Polyurethane tread, Cast Iron brown Bearing—special Ball Bearing for reduced Rolling Resistance ZQPU Dual Wheels, Ergonomic design for easier starting and turning