Bảng dữ liệu sản phẩm
1152 Series — CÀNG KIỂU B GIẢM MA SÁT
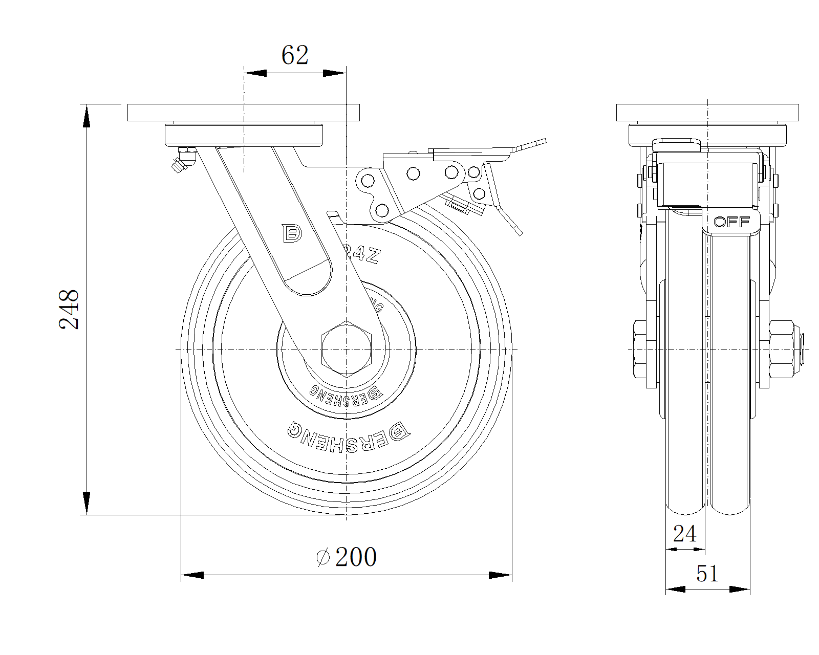
  Bánh xe ZQPU (hồ quang nâu) Đường kính bánh xe × Chiều rộng bánh xe 200 x 24 (51) mm
  EAN
      KS-11520800804071
         
Bánh xe có phanh trước và hệ thống khóa, khung thép hàn
Hoàn thiện sơn màu xanh, lắp đế, khoảng cách lỗ 110x75
Lõi bánh xe bằng gang, gai polyurethane chất lượng cao, màu nâu phay
Vòng bi bánh xe—vòng bi chính xác đặc biệt giúp giảm lực cản khi vận hành
Bánh xe kép ZQPU, thiết kế công thái học giúp khởi động và quay đầu dễ dàng hơn
  Lốp xe: Lốp xe làm từ polyurethane chất lượng cao
  Lõi bánh xe: lõi sắt/lõi gang

    Mô tả sản phẩm chỉ mang tính chất tham khảo. Sản phẩm thực tế sẽ được ưu tiên.



     
      đơn vị mét đế quốc
  Đường kính bánh xe 200mm 

  Chiều rộng bánh xe 51mm 
  vòng bi bánh xe Bánh xe trang bị vòng bi bi
  Quy cách tấm lắp 140 x 110mm 
  khoảng cách các lỗ trên tấm nền 110x75mm 
  Khoảng cách các lỗ lắp 22 x 13mm 
  Độ lệch tâm 62mm 
  Sự can thiệp quay 368mm 
  Tổng chiều cao 248mm 
  Bán kính xoay 184mm 
  Độ cứng 92±5° Shore A 
  Tải trọng (động) 650kgs 


  Độ di chuyển mượt mà 
    ● ● ● ● ●

  Chế độ im lặng        ● ● ● ● ●

  Bảo vệ mặt sàn       ● ● ● ● ●

  Tải trọng (tĩnh) 975kgs 
  Nhiệt độ -20°C to +70°C 
  Càng bánh xe Khóa trước
  Thép không gỉ N/A
  Dẫn điện N/A 
  Chống tĩnh điện N/A 
  Trọng lượng bánh xe đẩy 7.70kgs 
  Tiêu chuẩn kiểm nghiệm ISO22883
  
  
  © Bản quyền thuộc về 2026 DershengInternational www.dersheng.com
Sản phẩm liên quan
1152 Series — CÀNG KIỂU B GIẢM MA SÁT
Bánh ZQPU (Nâu Cong) Đường Kính Bánh × Độ Rộng Bánh 200 × 24 (51) mm
KS-11520800802021
200 mm 650 Kgs 248 mm
Bánh xe xoay với khung thép hàn và lớp sơn phủ màu xanh.
Lắp đế, khoảng cách lỗ 110x75.
Lõi bánh xe bằng gang với gai polyurethane chất lượng cao, phay màu nâu.
Vòng bi bánh xe—vòng bi chính xác đặc biệt giúp giảm lực cản khi vận hành.
Bánh xe đôi ZQPU, được thiết kế công thái học giúp khởi động và quay đầu dễ dàng hơn.
Bánh xe tự điều chỉnh (tùy chọn)
Bánh ZQPU (Nâu Cong) Đường Kính Bánh × Độ Rộng Bánh 200 × 24 (51) mm
KS-11520800804741
200 mm 650 Kgs 248 mm
Bánh xe có phanh trước và hệ thống khóa tự động, khung thép hàn.
Hoàn thiện sơn xanh, lắp trên đế, khoảng cách lỗ 110x75
Lõi bánh xe bằng gang, gai polyurethane chất lượng cao, màu nâu phay
Vòng bi bánh xe—vòng bi chính xác đặc biệt giúp giảm lực cản khi vận hành
Bánh xe đôi ZQPU, được thiết kế công thái học giúp khởi động và quay đầu dễ dàng hơn